First time posting, totally new to electronics so please go easy on me.
I have a circuit made up of two smd leds with two seperate live feeds and grounds that switch from one to another using npn transistor. It all works perfect when tested on bench and 12v supply. But once connected in the car it seems that the second feed that when once on should kill the first led has constant small current running through it and immediately switching off the first led without being fully activated. I hope that makes sense? Ive put a multimeter on it and it seems to read just below 0.8V in off position which possibly is enough to disable the first led instantly? The first feed is illumination feed, second is interior light circuit connection.
Is there anything I can add to the circuit to have it working as I want it?
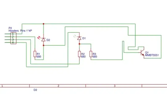
This is the schematic which works fine on bench with 12v supply

So red led gets power and is on. As soon as white led gets power it switches off the red one. Once the white led stops getting power the red one comes back on.
It’s all good when two 12v feeds are supplied on bench. But once connected in the vehicle as soon as the wire for white led is connected but not activated it knocks off the red one instantly. The white led feed comes from interior light circuit from body control module so once the door opens etc it activates the led but somehow the feed isn’t 0v when it should be off hence the red led deactivation?
Thank you for any guidance and info on this.
Apologies for not making it very clear
Stanley
