1

I'd like to breadboard a simple circuit which implements a mosfet pair to emulate a mechanical SPDT switch.

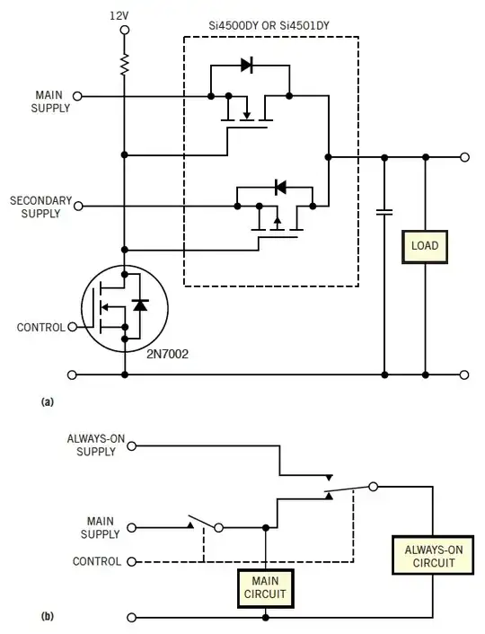
The circuit schematics can be found here.

enter image description here

The circuit looks identical to one that can also be found in page 8 of Vishay's Si4700DY Datasheet.

Assuming that both the Main Supply & the Secondary Supply are 12Vdc, and that the load doesn't exceed 0.3A, my first two questions are:

(1) What would be a suitable value & rating for the resistor in this circuit?

(2) Would it be ok to use a 12Vdc signal for the Control Signal of this circuit?

Moreover, the last answer to another, related question posted on this forum here, suggests an even simpler circuit to achieve the same goal as the present one (or so it seems to me).

My questions in this context are:

(3) Is the simpler circuit correct?

(4) Would it work in my case given the above specs?

Many thanks!

Sredni Vashtar
  • 4,038
  • 2
  • 16
  • 25
SnowCrash
  • 11
  • 4
  • While it is in the datasheet, it makes me wonder how can "main supply" MOSFET control the voltage as it has to deal with the body diode which will always be ON. I would almost assume that it would not work. Also you will always have to watch your drive voltage based on the main supply. – DIODEX Mar 03 '18 at 21:10
  • Thanks for the comment DIODEX, though I'm not sure I understand it. Just to clarify, are you referring to the so-called 'Main Supply' or to the circuit's supply? (both would be 12V in my case). – SnowCrash Mar 03 '18 at 21:17
  • This circuit needs the pullup resistor to be tied to a voltage above the supply rails. So, if you want to use it with 12V supplies, you need to use at least a 15V bias there. As it is, it won't work for your specific case. – dim Mar 03 '18 at 23:21
  • Thanks for the clarification, dim! I've got a 24V source I can tie it to so that should be ok, right? Also, could you tell me if a 10K/0.25W resistor be suitable in this setup or should I use a different value? – SnowCrash Mar 04 '18 at 00:15
  • I was referring to the labeled "Main Supply". As you can see from the picture of the MOSFET, there is a diode which just makes part of the component by nature. So I am not sure how if you were to have 12V at the Main Supply, you would not just have 11.3V at the other side of the MOSFET, no matter the state of the gate. – DIODEX Mar 04 '18 at 04:24
  • @diodex You are right, but if you check the description of the circuit in the link, you'll see the secondary supply is the standby supply in case the main one fails. So the main supply is supposed to take precedence. In these conditions, the body diode isn't a problem (however, some current could be backfed from the main to the secondary supply if their voltages differ, so this may be a problem). – dim Mar 04 '18 at 07:16
  • 24V means that you are right at the gate voltage limit (12V) for the main FET, if the control voltage is triggereed correctly (when main supply is ON). If you drive it incorrectly, the FET will be destroyed. So no. Or find fets with 24V gate voltage (unusual). – dim Mar 04 '18 at 07:27

0 Answers0