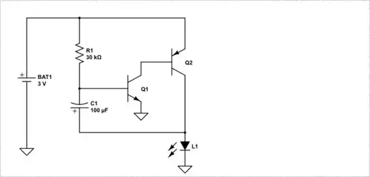
I've used following schematics to build blinking LED circuit and it worked.
I tried to understand how it works qualitatively without solving differential equations. By this I mean understanding voltage dynamics across each element (when and why it goes up or down and whether faster or slower in comparison to previous time interval) and same about current.
Using KVL, KCL and basic properties of circuit elements I come up to the following (time interval from the start and until the LED turns off for the first time):
- The process starts with maximum current that is split between NPN E-K and PNP E-K branches and therefore source voltage is less then 3V.
- The source voltage is increasing and approaching 3V value.
- The current through NPN B-E path is decreasing.
- Voltage across LED is increasing.
By initial voltage and current values I take those when I replace capacitor with short circuit. Removing capacitor removes dynamics and for me it sounds logical that these values are initial when we put capacitor back.
My question is the following: Is there an approach to understand how each element voltage and current change qualitatively in time so I could draw approximate plots?
I think this is important because solving complex differential equations just give you magic result - it just doesn't let you "feel" the circuit. Also I doubt that the one who created this circuit for the very first time draw dozens of circuits, solved dozens of diff equations and finally found the one that makes LED blinking. I think this person could "feel" the circuit the way I want to.


- How did you conclude that if base current of Q2 is high enough to saturate Q1 in circuit with no capacitor, the circuit with capacitor will not oscillate?
– Alex Velickiy Feb 28 '18 at 16:10