I'm trying to display a 4-bit binary number on a 7 segment LED as a hexadecimal number (0-F). I have an assortment of 7400 series ICs including the 7447. But that one only works for BCD (0-9). The 7400 series doesn't seem to have a hex to 7-segment decoder and I don't have one on hand.
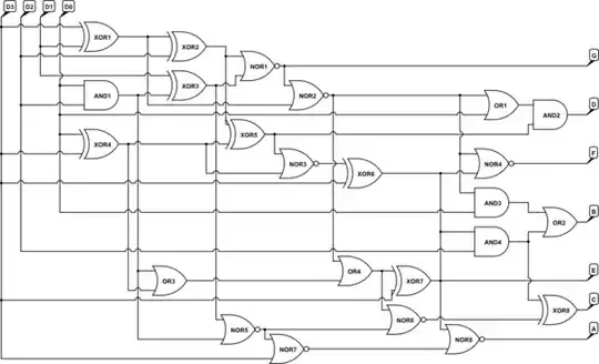
So I figure I'd have to build my own. The datasheet for a 7447 comes with the internal circuitry but I couldn't find a similar circuit for hex to 7-segment. I did K-diagrams for each LED segment by hand but the terms are rather large, much larger than for BCD.
Does anyone have a finished circuit for this that I can check my work against?
Does anyone have an optimized circuit for this that takes advantage of common subterms? There aren't many duplicate terms (like A0 & ~A1 & A2) but maybe using (A0 & A2) & ~A1 would allow sharing the (A0 & A2) subterm and overall reduce the gate count.
Or maybe some tricks to use NAND, NOR or XOR gates for some parts?
I don't care about different path length or races in the circuit as it's only going to drive LEDs and should be far too quick to see any of that.



8,Band0,D? The displays I have seen that were intended for hexadecimal have all used more than just 7 segments... – Baldrickk Jan 23 '18 at 16:18