I have got two LMC6001 samples. I will use them for pH sensor interfacing. With one LMC6001, I can cope with high input impedance errors. But I want to set offset voltage near by to 2 V. Can I make offset circuit with other LMC6001?
Asked
Active
Viewed 2,554 times
3
-
This question is listed as "unanswered" because it doesn't have upvoted answers. If the answer solved your problem you may accept it (though I don't know if that will change the 'unanswered" status). If it didn't please let us know what is missing so that I can update my answer, or that new answers may be given. – stevenvh Jul 21 '12 at 09:04
1 Answers
5
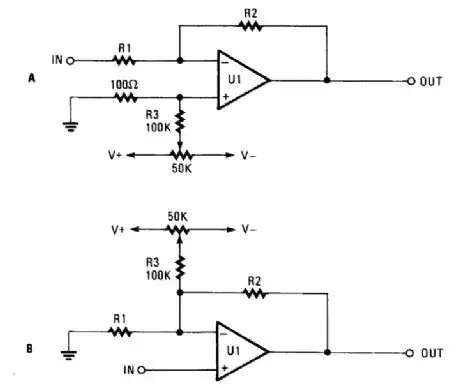
You don't need the second opamp. These are typical circuits for offset control in opamps which don't have offset null inputs, like the LMC6001:

You'll want the lower circuit, because there you can use the fA input current feature of the opamp. The other one has a much lower input impedance.
Without R3 and the potmeter this is just a non-inverting opamp where
\$ \mathrm{ V_{OUT} = \dfrac{R1 + R2}{R1} V_{IN}}\$
Adding the potmeter:
\$ \mathrm{ V_{OUT} = \left(\dfrac{R1 + R2}{R1} + \dfrac{R2}{R3} \right) V_{IN} - \dfrac{R2}{R3} V_{OFFSET} }\$
stevenvh
- 145,832
- 21
- 457
- 668
-
-
-
@IsmailA - I've added the equation for the output voltage. R1 and R2 determine your amplification as in the first equation. The offset voltage is subtracted from that (because you add it to the inverting input). Use the second equation to find the right resistor values if you know the offset you want. R2 and R3 then determine between which limits the potmeter has to be set. That's your V+ and V-. – stevenvh Jun 28 '12 at 11:06
-
-
@IsmailA - No. The opamp will try to set the inverting input equal to the non-inverting, and if R1 is zero that inverting input is ground, so it can't do that. If R2 is zero you have a voltage follower where Vout = Vin. Check the equation with R2 = 0, you'll see that the term with the offset disappears. – stevenvh Jun 30 '12 at 04:32