This question is haunting me for a long time. This could be something very basic and I do not know how it works or could be some misunderstanding! I am now using STM32E407 as DALI master and am working on the implementation of DALI. I have achieved some basic results on single Master- single Slave, now I want to look at the problems involved in multi-master DALI.
My understanding/misunderstanding:
My idea is to design a light control system with at least 3 DALI buses and if possible with a (1-10v) controller!
On single MCU, if I use different timers and GPIO pins to run different DALI buses and use two non-terminating loops in while(1) loop(or main loop), it will not obviously work as parallel processing is not possible on single core MCUs!
So, my immediate idea is to go for a modular approach, where each MCU will be implemented and running with DALI stack, providing just one DALI bus and I can use several of these to implement several buses. To do something as shown below is my idea.
This obviously makes it more expensive and also for UI, Light_Controller MCU has to access the data from and write data to DALIx_MCUs which leaves the Light_Controller MCU extra processing overhead or unnecessary extra effort!
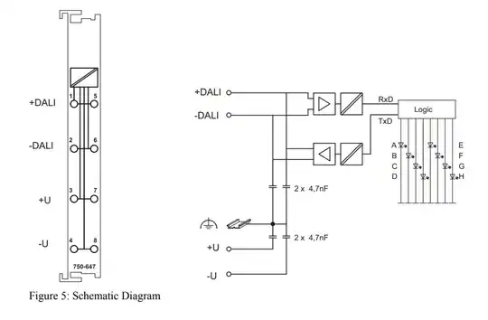
I have checked for WAGO Multi-master module (commercial product). It's documentation, WAGO Multi-master doc, on page number 25, it shows the clamp as below.
I am guessing the "Logic" here is a small MCU or MPU and WAGO is using modular approach that is why each clamp provides one DALI bus!
Question:
I would like to know how multiple DALI buses or Multi-master systems will be developed in general?
and is it something that is part of DALI standard??
PS:
- MCU- Micro-controller Unit, MPU- Micro-processor unit, UI - User Interface
- I am not sure whether "multi-master system" and "single MCU with several DALI buses"(if at all possible!!) are same or not!
- 1-10v Controller can be part of the Light_Controller MCU and could be irrelevant here!



