Please tell me what will happen if the instrumentation amplifier is constructed as this circuit? As in this, two resistances R1 are grounded in between? What is the problem in this circuit?

- 79
- 3
-
5What makes you think there is something wrong with it? – Trevor_G Dec 03 '17 at 14:17
-
Related: https://electronics.stackexchange.com/questions/332390/parallel-opamp-configuration/332399#332399. – Transistor Dec 03 '17 at 14:20
-
This smells like a homework. What have you been able to figure out yourself so far? – Nick Alexeev Dec 04 '17 at 02:21
4 Answers
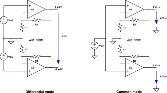
In short, with the split and grounded R1 circuit, A1 and A2 amplify both common and differential mode signals by the same gain.

simulate this circuit – Schematic created using CircuitLab
So their outputs will be easily saturated when trying to extract a tiny differential mode signal superposed on a high common mode.
On the other hand the "classical" floating R1 circuit always amplifies common mode voltages by unity gain, whatever differential mode gain you set using R1/R2.

That's the clever thing about it, it helps extracting "small" differential on "high" common mode, improves CMMR and dynamic range.
- 3,201
- 1
- 16
- 18
With ideal resistors and ideal amps, that's a perfect diff amp.
Usually the R1+R1 resistor is not split and grounded in the middle. That allows for the adjustment of a single resistor to adjust the overall gain.
- 313,258
- 36
- 434
- 925
As Olin says if we had ideal op-amps and ideal resistors then it would be a perfect diff amp but we don't have ideal resistors and we don't have ideal op-amps.
With your circuit the two inputs are effectively amplified seperately, this causes several problems.
- If the first stage gain is large and the common mode signal is large then as Carloc points out saturation of the first stage is likely to be a problem.
- If there is any gain imbalance between the two first-stage amplifier circuits then CMRR will suffer badly.
- Similarly if there is any imbalance in the second stage diff amp CMRR will suffer badly.
Your points 2 & 3 apply to both topologies.
They apply slightly to the conventional topology and far more severely to the OPs topology.
As a first approximation lets consider the case where the op-amps are ideal but the resistors are not.
Regarding the first stage in the conventional topology both the common mode gain of both top and bottom amplifiers will be 1 regardless of the resistor values. Therefore the first stage will not convert common mode to differential mode. On the other hand in the OPs topology the top and bottom amplifiers can have different common mode gain and hence can convert common mode to differential mode.
Regarding the second stage it's common mode rejection will be the same in both cases. However in the conventional topology it will only see the original common mode voltage, while in the OPs topology it will see the amplified common mode voltage. So the impact on overall common mode rejection will be much greater in the OPs topology than the conventional topology.
- 22,193
- 1
- 39
- 82
-
Your points 2 & 3 apply to both topologies. As far as first stage is concerned there might be different sensitivities to components tollerances but that's far beyond the basic question asked. – carloc Dec 03 '17 at 17:37
Ext. Icm*Zcm to Gnd and local gnd here cannot be equivalent voltage thus suffer from high gain of this "difference", so CM voltage gets high gain in the front end relative to local gnd. Not good.
- 1
- 3
- 54
- 185