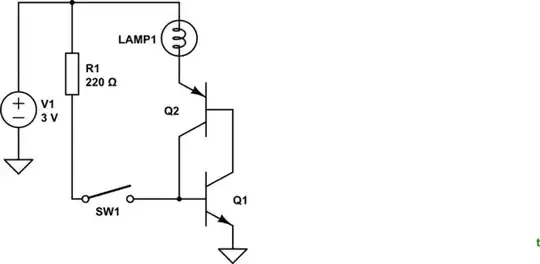
I've been trying to find a way to create a latching circuit with only NPNs and passives. I think I've found way:
My logic being that the resistors act like a potential divider and provide power to both transistors, and T2 is parallel to the switch, so it replaces it when saturated. When the switch is turned on, current flows down through T1's emitter and R2, making it saturated, and therefore making T2's emitter parallel to R2. T2 then becomes saturated and acts like the switch.
However, when I run it in a simulator starting with the switch off, current still flows (the yellow dots do move):

I can't see why current would flow, so is it a problem with the simulator or my logic?


