0

I have a usb powerbank(w 1.1 & 2A outputs) and I would like to power a router since I have no access to a power source. My issue is the least I've seen routers rated for are 9v min. usually 12v. Im assuming I don't need to worry about amperage because that is built into USB to self-regulate. However I'm worried about voltage. I'm wondering if there is a way around this? I've searched the internet and come up with nothing.

user20554
  • 101
  • 1
  • 1
  • Just a side note: WGT624 V1 from Netgear can be powered with 5V. But I think this device needs 10W. – Eggi Nov 22 '17 at 10:00
  • 2
    Voltage should be your least concern. A router typically uses 12-15 W or power. USB power banks usually have no more than 10-12 Ah capacity, so they would last 3-5 hours only on one power bank charge, energy-wise. What good does it do for a router, which is supposed to operate 24/7? – Ale..chenski Nov 22 '17 at 16:14

3 Answers3

3

Yes. You need a "switching boost regulator". But check the current required by your router first. Power is voltage x current. You have at most 5 V (USB standard) x 2 A = 10 W. At 12 V, that's ~0.8 A maximum. Probably less with switching losses.

Brian Carlton
  • 13,312
  • 5
  • 44
  • 65
  • In my case, I've got a powerbank which says "Type-C Output: PD(5V/3A,9V/2A,12V/1,5A)". Would that be okay to just plug it straight into the router? My issue is I don't have a cable that would connect my wireless router to the powerbank. – Ben Butterworth Jul 03 '22 at 14:48
2

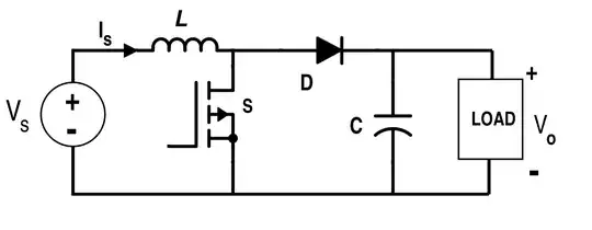
What you need is a boost converter, which will raise your voltage from 5V to 9 or even 12V, as you need. The schematics is quite simple, such as shown on picture below. enter image description here

For this project, I recommend you to use an already built one with regulated output voltage, which you will pre-set for the desired voltage, as your router requires. You can get them cheap on largest retail store on the web.

Jakey
  • 808
  • 6
  • 17
2

One possibility is to save your existing power bank for other projects, and get a power bank with Quick Charge 2 or QC 3. These can be tricked into delivering 9V or even 12V for some models, by using a so-called Quick Charge trigger, a cheap device that you can buy online.

You will need to fashion your own power adapter from USB to whatever power plug the router has.

And of course you need to do some tests to ensure that:

  1. the trigger is doing what you want it to do (namely tricking the power bank into delivering whatever voltage you want)
  2. the power bank is actually able to deliver the voltage you need at the current you need, without significant ripple - power banks vary in this regard
  3. and ultimately that the router is comfortable with the whole situation

When all this is done, you might still want/need a USB voltage meter in order to verify that you are selecting the correct voltage at start up, unless the QC trigger has integrated indicators that can reliably provide you with this information.

Dampmaskin
  • 3,797
  • 1
  • 16
  • 29