3

I am designing a system which will use two 12V AC/DC 60W modules (Meanwell IRM-60-12)

I would like to protect the system using a fuse. In the case of a parallel design like the one below, should I use one fuse for each supply or a global fuse at double the amp rating for both?

e.g (sorry for the bad drawing): Fuse Left or right design?

Thanks!

Tony
  • 104
  • 1
  • 8
  • Are you aware that you can't wire the outputs together as shown in the drawing? – Andrew Morton Nov 21 '17 at 15:43
  • That's just a standard parallel wiring, what's wrong with it? – Tony Nov 22 '17 at 02:46
  • If you could share what exactly you were doing, it helps us to answer your question. Also, there are some very smart people here that might be able to spot a design flaw you may have missed. Really hard to tell without more info. – Sam Spade Nov 22 '17 at 04:12
  • These are two IRM-60-12: Meanwell 12V/60W AC/DC power supply. The goal is to feed lots of VFD tubes, but also provide power to the electronics driving the tubes. Most of the current will be drawn by a couple of AP65550 step down converters giving the precise voltage required by the tubes. – Tony Nov 22 '17 at 06:14
  • @Tony Please see Connecting two power supplies with same voltage rating to increase current output? However as you have two major current draws, you could supply each from one of the PSUs and connect only the grounds of the PSUs. The rest of the electronics can be supplied from just one of the PSUs, assuming its current rating is not exceeeded. – Andrew Morton Nov 22 '17 at 08:55

2 Answers2

3

This is supplementary to spadeANDarcher's answer, as there is something in the question which isn't asked.

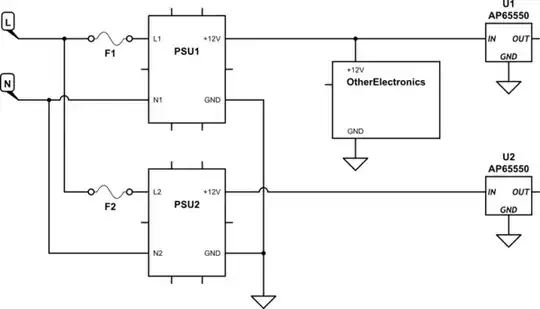
Please see Connecting two power supplies with same voltage rating to increase current output? to read why connecting the two Meanwell PSU outputs in parallel may lead to failure.

However, as you have two major current draws, you could supply each from one of the PSUs and connect only the grounds of the PSUs. The rest of the electronics can be supplied from just one of the PSUs, assuming its current rating is not exceeeded:

schematic

simulate this circuit – Schematic created using CircuitLab

[Apologies for the hairy components.]

You could even have provision on the PCB to connect the "OtherElectronics" to the other PSU so that if the one it is connected to fails then it can use the other PSU, although the VFDs on the failed PSU will of course not be powered.

Andrew Morton
  • 2,632
  • 1
  • 18
  • 27
  • Apologies not accepted, this is a great explanation and indeed I could keep the two 12V rails separated. I read the other topic and because Meanwell units are well made and I will probably fall into this scenario "However, if that first power supply has foldback current limit, it will effectively drop out of circuit and the other power supply will attempt to supply all of the current. It, too, will go into current limit. And the output voltage will fall. " ... – Tony Nov 22 '17 at 09:50
  • Thanks Andrew for the good explanation. I was a bit worried about the wiring, but this is outside my expertise and didn't know enough to explain it in my answer. – Sam Spade Nov 23 '17 at 00:48
2

Two fuses, for two reasons.

First, I want to establish some arbitrary values. For the purposes of the below, I will assume the devices will draw 1 amp while idle, be connected to either one 10 amp fuse, or two 5 amp fuses, and become damaged at 7 amps.

Depending on how sensitive these devices are, limiting the current draw of the two devices may not be sufficient to prevent one from becoming damaged. Imagine that one or both devices are idle when one device suddenly malfunctions. A short circuit causes it to draw 8 amps of current, well beyond the 7 amp damage-point. With a single fuse, the total amp draw is 8 + 1 = 9 amps, so the fuse doesn't blow and the device is damaged. With two fuses, the five amp fuse on the malfunctioning device blows, preventing further damage. This isn't a contrived scenario, most devices are in standby most of the time, and, although some malfunctions can cause sudden power spikes, others can cause slow burns. I could answer the question more fully if I actually knew what the devices were.

Another reason is that, depending on the nature of the devices (From your question, maybe high power electronics?), I could imagine that one may internally malfunction and destroy the other. I really couldn't say whether this was a possibility without more information, but I would consider it. With a fuse on each device, each device has its own protection and you don't have to worry about hooking up another device to the circuit, removing one device from the circuit, or changing the nature of one device. You can rest assured that each is separately protected from a surge. It's just good practice.

If this device is a low-cost device, a low power device, or a temporary situation, it wouldn't be worth the bother. I would say that if it was worth the effort of asking the question, its worth a couple of bucks for a separate fuse.

Sam Spade
  • 307
  • 1
  • 6
  • Well if the single fuse blows then both devices are disconnected? – Tony Nov 22 '17 at 02:47
  • I tried to clarify my answer. Did that help? – Sam Spade Nov 22 '17 at 04:10
  • Thanks spadeANDarcher; two fuses it is then. The 2 power supplies are 12V/60W Meanwell units. I need quite a bit of current for power hungry VFDs. I am not trying to save any $ at all, this is a hobby project and I am not trying to save a few cents on the PCB/BOM. – Tony Nov 22 '17 at 06:09