I'm quite new to electronics and I'm trying to make a high pass filter to get rid of some DC component of a signal. For that, I thought of using a capacitor along with a resistor in the usual HPF configuration (values are generic):

simulate this circuit – Schematic created using CircuitLab
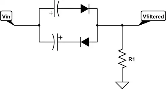
However, since my signal is positive and negative, as far as I understand I can't use an electrolytic capacitor since they are polarised. To make up for that, I thought of the following configuration (it is quite simple so if it works I guess it may be quite standard), but since I haven't designed many circuits I have no idea if it works or not:

Is this any good? Thanks in advance!

