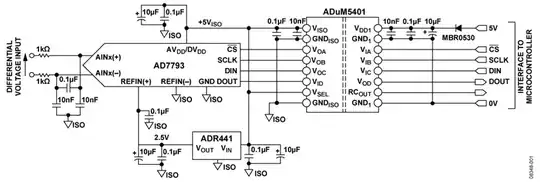
I'm a Electrical Engineering student and I want to sense and sample the voltage signal coming from a wall socket (110V - 220V). I came up with the following circuit using a voltage divider with high impedance and a diferential amplifier. I would like to avoid using a transformer because of weight constraints.
Is there a better way to solve this problem? Should I use a capacitor divider instead?





