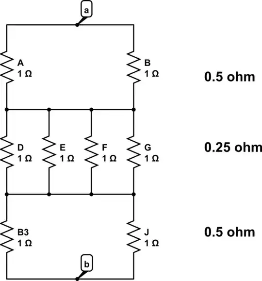
Each resistor has 1 Ohm resistance
This makes it easier (hopefully). Also, by observation, the circuit has symmetry and this makes solving it quite simple.
If all resistors have the same value then the current from node a (top) to node b (bottom) is shared equally between resistor A and B and given that they have the same value there is zero voltage across resistor C. If there is zero voltage across C then it can be shorted out without any expectation of a change in impedance.
The same can be said for resistor H and this leads to a simplified circuit thus: -

simulate this circuit – Schematic created using CircuitLab
Hence, total resistance from a to b is 1.25 ohm