"Normal Motor current" has no meaning, unless the Rated current and Start currents are both given. I would expect more than "No Load " current but how much load is irrelevant when direction reverse relay is activated, while running at full speed.
This is because the Motor acts as a generator of Back EMF to reduce the no load current to just losses at some RPM speed. ( friction, Eddy current, minimal conduction losses from excitation reactance + commutation losses).
Thus the relay contact protect is not simply to absorb the current from Close to open circuit but also from intermediate open to close alternate voltage circuit where the Surge current will now be 200%*Istart compared to start surge current and not just for the L/R time constant but now for the duration of power applied and change in Kinetic Energy from moving mass. E=½mv²
Relay Contact current ratings for DC are normally derated 50 to 75% due to the sustained arc when open and thermal energy can be greater due to the lack of zero crossing current in AC which can extinguish an arc.
Thus snubbers With a clamping voltage contact-open interval but not in the polarity reversal conduction interval while the motor draws 2x the I_start or \$I_{surge}\$ completion of the voltage reversal. Pd dissipation in the snubbers must consider the coil energy and back EMF duration for slowing down.
The most efficient Snubber clamps would be a full wave bridge with the DC source to +/- and AC inputs to Motor rated for starting Energy of motor or using watt-second curves for the Diode Bridge and thermal resistance..

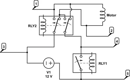
simulate this circuit – Schematic created using CircuitLab
Normally small DC motors are rated at 8x to 10x Rated load full speed current.
THis means Voltage reversal at full speed is 16 to 20x full rated current.
Some method to limit surge current must be considered to extend the reduced life expectancy from doing this. e.g. PWM, V/F control, NTC surge limiter for each polarity.
Snubber part may consider using bipolar Zeners, TVS or MOV's or choosing RC loads where RC=L/DCR and R=DCR, but requires Joule and thermal calculations to stop the motor from arc voltage that could short out V+ to GND in the relay contacts on either Pole in the DPDT contact arrangement.
Relay current must be SPECIFIED for DC Hp or Idc_surge or derated by at least 50% of max rated current of motor. Imax and relay contacts appropriately selected to handle 2x to 5x rated motor current, Imax. MTBF curves for Relays are avail. from OMRON site due to DC motor surge currents and duty cycle of events. THese events reduce MTBF in a logarithmic scale.
Remember I_start and I_rated are NOT the same and your I_normal , I expect is less than I_rated.
If the DC motors are small enough or contacts rated for Surge current for the duration of time to stop the motor, a configuration could be used at low duty cycle rates to stop the motor quickly by shorting out the windings. Overall motor dissipation increases briefly and must be included with the operating temperatures and rise from these events, but can also be done for most small DC motors.