So I have a Nintendo Zapper gun that broke and I want to turn it into a Desk lamp. But I want to use the Trigger as the On/Off switch. Can somebody please help me and point me in the right direction on how I would wire that? Anybody familiar with that?
Asked
Active
Viewed 354 times
0
-
3How to wire a lamp through a switch? Seems like some basic research could answer that. – Phil Frost Jun 29 '17 at 17:56
-
If you just like the look of the gun, your best bet would be to gut it- save the switch- and just buy a simple lamp wiring kit. However, you still need to determine safety factors and know the tolerances of the switch etc. I recommend lots of reading before you plug anything into mains. – Archaeus Jun 29 '17 at 18:03
-
2This question should be nominated for most random question of the year. – Voltage Spike Jun 29 '17 at 18:13
-
1Watch out for 120V – Voltage Spike Jun 29 '17 at 18:14
-
Thx guys, Im researching but haven't found anything that would help as well as find the tolerance on the switch on the zapper. Im stating the obvious here but I know nothing about wiring and thought that with some research and how to maybe I can tackle it. Upon researching I came across this site and figured Id ask the pros – Jedi Dean Jun 29 '17 at 18:43
1 Answers
2
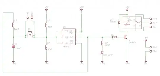
Nintendo Zapper gun use a push button switch also that button doesn't handle high voltage so you need a circuit for that.
This circuit is build around a relay and 555 timer configured in a way that let it latch on one state and an action is required to change state. The circuit is powered from +5V
The project is here
narzan
- 295
- 2
- 15

