-1

schematic

simulate this circuit – Schematic created using CircuitLab

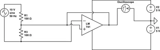
I have created my voltage follower circuit as shown above. But when I connect an oscilloscope, it shows me a square wave at the output instead of a sine wave . Why would this happen?

Taven
  • 21
  • 7
  • Your buffer configuration is wrong. Non-inverting input should be connected to the incoming signal, and inverting input should be connected to the output. One more thing: Don't expect the output to swing up and down to supply level if you're not using a R2R (rail-to-rail) opamp. In your circuit, the input level is 10Vpp and supply is ±5V, so the output will be clipped. – Rohat Kılıç Jun 01 '17 at 07:49
  • Please also have a look here: https://electronics.stackexchange.com/questions/304521/reasons-not-to-use-a-741-op-amp – PlasmaHH Jun 01 '17 at 07:53
  • @RohatKılıç

    "if you're not using a R2R (rail-to-rail) opamp"

    What do you mean by R2R opamp?

    – Taven Jun 01 '17 at 09:05
  • @Taven "Rail" indicates a supply rail (positive or negative). Rail-to-rail opamps can swing their outputs down to negative supply rail (-5V in your case) and up to positive supply rail (+5V in your case). Other non-R2R opamps can swing lower (e.g. +/-4.5V instead of +/-5V. Check datasheet). – Rohat Kılıç Jun 01 '17 at 09:25

2 Answers2

3

Because you don't have negative feedback: inverting input should be connected to the output. Compare your schematic with a proper voltage follower. Without negative feedback, your amplifier gain is very large, so even small signals get amplified to levels far beyond the maximum output level.

0

My mistake was that

1) I had connected the ground terminal to the inverting terminal

2) I had not connected the negative terminal of the 12V ac source and the negative terminal of the 5V DC source. There should be a common ground between them.

Taven
  • 21
  • 7