
I'm making my first PCB and would like some advice about ground planes. The pcb it two layer, and all parts are through hole. Bottom layer consists of all the ground pads and everything else is on the top layer. Currently I have a ground plane that includes the input from the 12V batteries, two motors inputs, the mosfets that will drive the motors, two capacitors, and two diodes. The other ground plane includes the rest of the circuit. i.e. microcontroller, 5v LDO regulator, 3.3v LDO regulator, LED's, Bluetooth module, digital sensors, and passives. The ground planes are connected by a single 32mil trace. The 12v battery input is on the motor ground plane and the other battery input for the 5v LDO is on the other plane. Am I on the right track?
- 1
- 1
-
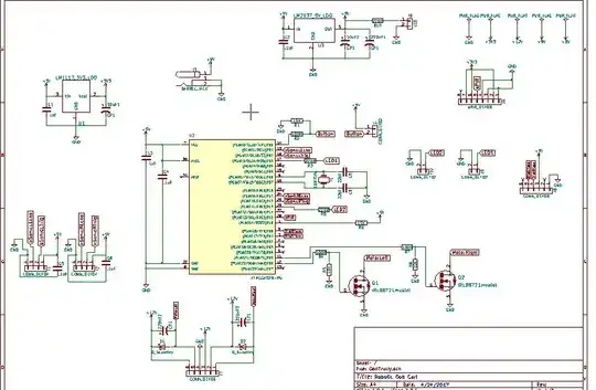
I've got most of an answer ready, but it'd be helpful to see a schematic so I can give some specific tips on layout. Having slightly more easy to read designators in the layout would be helpful as well. – alphasierra May 06 '17 at 02:11
-
schematic added – Daniel Shields May 06 '17 at 03:10
-
Draw the path currents take will all switches off, all on, and all combinations of on and off. These are the paths that will cause trouble when the switches change state. Include things like decoupling capacitors that will source/sink current transients, and the regions of ground plane they flow through. Identify the complete current loop, if you can't complete the loop, then you're not thinking hard enough. Make sure the loops are small in area, and have tracks that are wide enough and short as reasonable, and don't intersect voltage sensitive inputs. – Neil_UK May 06 '17 at 05:24
-
I changed this to a single ground plane. Hopefully that's sufficient with the decoupling caps, etc. All the 12V/3A stuff is up at the top of the pcb. All tracks are .508mm. – Daniel Shields May 06 '17 at 18:10
2 Answers
You don't strictly have to cut the ground plane. General practice is to never do so unless you have a very good reason. If your freewheeling currents are out of the path of any critical signals then you don't need to cut the plane at all. Something to keep in mind when laying things out. You can physically draw the currents out and see if they might mess with anything. Given how dense you've made things it might be necessary. Not sure how much current you're planning to put through all this.
Large freewheel currents can cause the voltage on the ground plane to hop around due to resistive drops. Having an isolated plane close to the motor connections with thick ties to the power and ground planes is a common technique for containing these large freewheeling currents.
I'm not sure how much current you're putting through this setup, use a trace calculator to see if it's wide enough to handle your current through the tie. Also, move it so that it's as close as possible to the power input to your board. All currents return to their sources, think about what path you want that current to take.
It's a little hard to read the schematic in places, however you've got generally the right idea. You want your freewheel diodes to be as close to the connector as possible so the path is as low impedance as possible. The traces could also be thicker. You've got the room, why not use it? Of course don't make them so big that soldering becomes a challenge, but that's what thermal reliefs around the pads are for.
If possible you might want to see if you can move the MOSFETs, capacitors, and freewheeling diodes closer together to provide a tight path for the motor's freewheeling current.
Having the capacitor connected where it is will allow the high frequency components of your switched motor current to pass through it. Just make sure it can handle that.
Other than that I'd recommend cleaning up the fills so they more nicely go around that screw hole.
- 1,134
- 1
- 10
- 18
When designing ground planes, its a good idea to think of a ground plane as a mesh of resistors, really low impedance ones. Because of this currents on a board spread out a little, but will take the lowest impedance path back to the source (ground or if you have a negative regulator on the board that can change the currents through the ground plane). The lowest impedance path is usually the shortest.
Copper is around 1.72E-07 ohm-cm. But this is also dependent on:
- the weight of copper you use for a PCB
- the size of the trace
There are PCB calculators that can help you find what the trace is, if you neck your ground plane down at a point, it creates more resistance (and inductance) between the two sides of the plane.
Putting splits in a ground plane can be advantageous if you want to control where the current goes. I've used splits to isolate digital an analog sections. It can create a nice dipole antenna too so there are disadvantages.
IF there are large switching loads or digital noise that you want to keep out of an analog section then it might be good to split them. Otherwise don't. Keep in mind that traces crossing a split can also cause problems.
In your case I would either keep the plane solid or move the "bridging trace" so the current flows to the connector
- 82,181
- 41
- 84
- 220