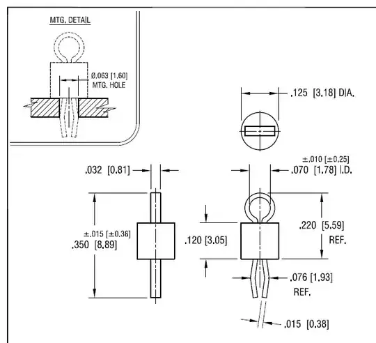
I have to use some Test Points on my PCB (shown in the Figure), do they need to be solder to the pcb? or is just by applying pressure? 
- 38,181
- 17
- 100
- 237
-
See also: https://electronics.stackexchange.com/q/249140/256265 – KJ7LNW Feb 20 '24 at 02:49
5 Answers
If the vias are well plated they will also make contact without solder but I always solder them. The main reason is mechanical stability: when you use the loop to hook in test equipment there will be quite some force and torque on the test point. Thus you want to use solder so your test point does not snap out during testing.
- 340
- 1
- 6
As with other through-hole components, the test points should be soldered to the board. You could just leave them sitting in there, but you risk poor contact (resulting in incorrect readings) and even worse, they may fall out entirely.
Looking at the top left part of your attached diagram, you can see the legs of the test points are pressing against the sides of the hole. The legs can be bent at different angles, and you cannot be sure that they will stay put.
- 5,142
- 5
- 33
- 57
-
Great, so If I have to solder them to the pcb, that means that I can put a TP between 2 components, right?, lets say I have a trace that goes from resistor 1 to my TP and from the same TP to a resistor 2 – Pedro Alejandro Duarte Apr 06 '17 at 13:14
-
1Yes, that is how you use them. Keep in mind though, that it might be smarter to place it right next to the trace with a small connecting trace. That way you keep the width of the trace constant which is beneficial for current carrying capability. – JLo Apr 06 '17 at 13:18
-
1You can put a test point anywhere it fits, it won't effect the circuit. However if it's too close to a nearby component, you may risk accidentally shorting when you attempt to connect to the test point. – Bort Apr 06 '17 at 13:20
I have used those test points many times before. They are designed to be soldered to the board. The spring contacts are only supposed to hold them in place during soldering. If you leave them unsoldered, they may not make good contact and can pull out easily during testing, especially if you connect alligator leads or a scope probe to it.
- 21,314
- 9
- 63
- 97
You need to solder them. Don't even think about just pushing them in and leaving them there. This is true for any thru-hole component. There is nothing special about these test points in that regard.
- 313,258
- 36
- 434
- 925
-
5...Apart from ones that are designed to be press fit and not soldered, but those are always marked as such. – Apr 06 '17 at 13:35
I find this rather an odd question.
You had better HOPE they are meant to be soldered in. The alternative would be an extra step in manufacturing to mask them out while the board goes through the soldering machine.
Generally through hole metal parts are intended to be soldered unless specific wave flow soldering instructions are indicated in the specification.
Further, these parts are not hard to insert, and are therefore not hard to come out when a scope probe is dangling from it. Soldering provides the required mechanical stability you require.
- 46,675
- 8
- 72
- 154