The working principle of two pair of terminals of a shunt is required here.

- 19
- 2
-
That's one pair, not two. – Bort Mar 25 '17 at 20:08
5 Answers
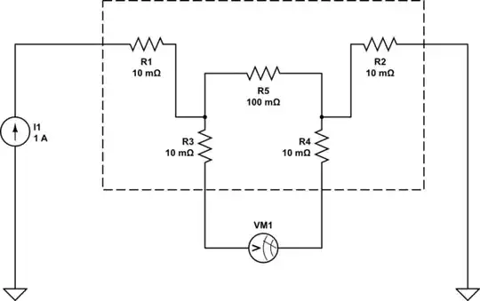
Imagine the shunt looks something like this, where R1~R4 represent connection and wire resistances, and are variable with tightness of the connections, temperature and so on. R5 is the shunt resistance itself (usually made of a low temperature coefficient alloy such as Manganin or Constantan.

simulate this circuit – Schematic created using CircuitLab
Provided only that the meter is high resistance compared to the values of the resistors the voltage measured will accurately reflect the current I1 multiplied by R5 (only).
It is important to use the larger connections for the high current and the smaller ones for the measured voltage because the larger ones are (or should be) on the 'outside' of the smaller ones. If you were to just parallel them all in my example there would be a large (and variable) 5m\$\Omega\$ resistance on each side so the error would be a very large (and variable) 10% of reading! Even if you calibrate that out, it would change if you tighten the connections or if they relax, and it would change more than the tolerance of most shunts for a few degrees C change in temperature.
It's possible to use Kelvin connections to surface mount resistors, for example. Some have 4 terminals, but you can split the ends of something like an 0805 to improve performance (not quite as good, but better than nothing).
- 397,265
- 22
- 337
- 893
It's called a Kelvin connection, or four-wire resistance measurement.
The issue is that the resistance of the shunt is not so very different from the resistance of the wires connecting to it, so sharing the same connection points for connecting power, and for measurement, the connections themselves would add enough resistance to affect the measurement.
So a large (low resistance) connection is used to connect power at each end of the shunt, and a second connection closer to the shunt itself takes voltage to the measurement device. (This can be relatively thin, as it doesn't carry significant current, without affecting measurement accuracy).
A shunt is a part with a very small resistance (typically know, not always small). It's connect at two points of a circuit. Hence it has two terminals or connection points. To measure a voltage across it, you need to measure it across those two points.
- 73,027
- 7
- 93
- 209
-
I'd add that it typically has a very small, but known resistance - so that you can measure across it and do your maths. – Araho Mar 25 '17 at 20:05
-
Well, I've seen people call shunts jumpers. So their specific resistance isn't important all the times. – Passerby Mar 25 '17 at 20:08
-
1@Passerby, quite right. A current shunt is simply an additional parallel path that a current can take. It can be of calculated resistance to assist in a measurement, or to reduce current flow in the other path, such as a jumper or switch. It's not purely about measurement resistors, as you say. – TonyM Mar 25 '17 at 20:39
In some shunt resistors resistance is so small, it is not very different from pcb trace resistance. So taking measurement from there is a bad idea. They arrange another two pads such way that current will not flow there, so you can take measurements of voltage drop on tbe exact resistance you know.
With shunts intended for measuring large currents, there can be significant voltage drops (small, but significant compared to the intended measurement voltage) in the high current terminals. Additional connection points are added for the connection to the measuring instrument, so the voltage drops in the high current connections won't affect the acuracy of the measurement.
- 59,212
- 1
- 49
- 132