3

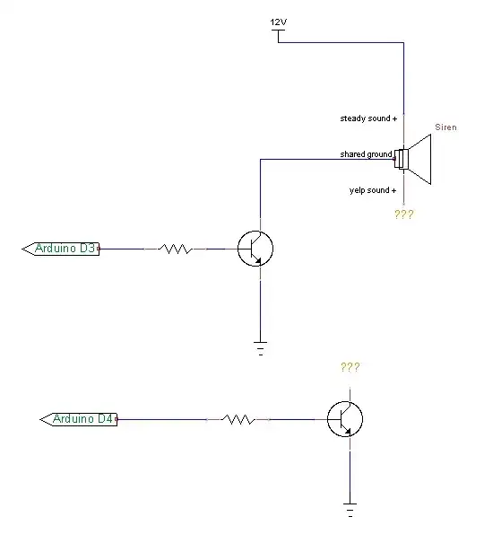
I have a 12V siren (speaker that includes a driver) that has two positive leads, one for steady sound and one for a yelp sound. There is also a shared negative lead.

I want to control both sounds from two Arduino output pins. I currently have this schematic but I'm not sure how to hook up the other positive lead.

My circuit

darkadept
  • 439
  • 1
  • 4
  • 10
  • My initial question was: http://electronics.stackexchange.com/questions/29029/choosing-the-right-transistor-for-a-switching-circuit/29033#comment54040_29033 but was answered. This question builds on that one sort of. – darkadept Apr 01 '12 at 22:25
  • Oh yeah, the siren need about 480mA at 12V – darkadept Apr 01 '12 at 23:15

1 Answers1

7

Instead of switching the common ground, you want to switch each of the positive connections independently and keep the common ground tied to ground. Something like this:

The SIREN and YELP lines are intended to be driven by 0-5 V digital outputs. This will put very little (well under a mA) load on the digital lines. When YELP is driven to 5 V, it will cause Q3 to turn on as a 10 mA current sink. This becomes the base current of Q1, which can then acts as a high side switch that can support up to 10 mA times its gain. Figure you can count on Q1 and Q2 having a gain of at least 50, so they can switch up to 500 mA as this circuit is drawn. This is all you need if the yelp and siren inputs to the sound unit draw 500 mA or less at 12 V.

Olin Lathrop
  • 313,258
  • 36
  • 434
  • 925
  • 1
    Ok I am starting to understand this a little more now. I don't think I had PNP's figured out before. Now that I have this running in a circuit simulator I can see that everything flows backwards in a PNP transistor. E->B and E->C instead of B->E and E->C in a NPN transistor. One question I have is why there is no resistor before Q3 and Q4 base like in other NPN circuits. I guess R1 and R2 resist current for Q3 and Q4 base to emitter line and for Q1 and Q2 emitter to base line. Also, I guess normal PN2222A and PN2907's should work instead of the transistors you mentioned? – darkadept Apr 01 '12 at 23:48
  • @Olin What CAD do you use for these schematics? They look really nice – m.Alin Apr 02 '12 at 06:30
  • What is the reason you didn't put series base resistors to Q3 and Q4, is it because of the emitter resistors? If there are any drawbacks not using series resistors, what are they? – abdullah kahraman Apr 02 '12 at 11:42
  • @m.Alin He uses Eagle. Check his guide out here. Very useful. – abdullah kahraman Apr 02 '12 at 11:45
  • 2
    @darkadept: Argh! I was almost done adding several points to the answer to address all the question. Then I hit some keys and everything got poofed away. Yes, it's Eagle, FILE > EXPORT > IMAGE monochrome at 600 DPI, then shrunk 5x each dimension into a gray scale GIF file. Analyze the currents and you will see everything is nicely controlled without the need for base resistors. Don't get hung up on rules of thumb or what other people have done. Think about the circuit yourself. There are usually several ways to achieve something. – Olin Lathrop Apr 02 '12 at 13:51
  • @OlinLathrop Will collector base junction of Q3 or Q4 be shorted if either of them fails? If it will, what is the possibility of this scenario to happen? By the way, I am really grateful that you are patiently answering my small questions in the comments. – abdullah kahraman Apr 02 '12 at 19:21
  • 1
    @abdullah: Failure by definition is out of spec, so there is no way to know how exactly a transistor will fail. Sometimes they fail open, sometimes they can fail shorted. If Q3 B-E shorted and C open, it would put a high load on the YELP digital line, but never turn on Q1. – Olin Lathrop Apr 02 '12 at 19:56
  • @OlinLathrop Shouldn't the PNP transistors have a large resistor between base and 12V, so that the base isn't left floating when the NPN transistors are off? – m.Alin Apr 03 '12 at 17:51
  • @m.Alin: Yes, in a real production design I would add B-E resistors on Q1 and Q2 as you said. I decided to omit them here to keep the explanation as simple as possible considering the OP's level. In this case considerable current is being switched, so a little capacitive pickup isn't going cause a yelp or siren to be emitted. He can wire up the circuit as shown and it should work for him. – Olin Lathrop Apr 03 '12 at 19:01