1

Doubt related to impedance seen by the bypass capacitor:

or

What is the impedance seen by the bypass capacitor \$C_E\$

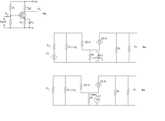
enter image description here

To calculate the impedance as seen by \$C_E\$, we attach a Thevenin volatge source as shown.

Applying Kirchoff's current law:

$$ \frac{V_T}{\beta r_e+R_S||R1||R_2}-\beta I_B+\frac{V_T}{R_E}=I_T$$ $$\frac{V_T}{\beta r_e+R_S||R1||R_2}+\beta \frac{V_T}{\beta r_e+R_S||R1||R_2} +\frac{V_T}{R_E}=I_T$$ $$V_T[\frac{(1+\beta)}{\beta r_e+R_S||R_1||R_2}+\frac{1}{R_E}]=I_T$$ $$V_T[\frac{1}{\beta r_e+R_S||R1||R_2}+\frac{1}{r_e+\frac{R_S||R_1||R_2}{\beta}}+\frac{1}{R_E}]=I_T$$

From here I get the resistance as $$\frac{1}{R_e}=\frac{1}{\beta r_e+R_S||R1||R_2}+\frac{1}{r_e+\frac{R_S||R_1||R_2}{\beta}}+\frac{1}{R_E}$$

However in book, the resistance has been given as:

$$R_e=R_E||(\frac{R_s||R1||R2}{\beta}+r_e)$$

It seems the first term in \$\frac{1}{R_e}\$ vanishes! Where might have I gone wrong?

(I have referred to the following text book: Electronic Devices and Circuit Theory, by Boylestad and Nashelsky.)

Dave Tweed
  • 172,781
  • 17
  • 234
  • 402
Soumee
  • 313
  • 1
  • 8
  • 21
  • Do you know the voltage gain of a common-emitter stage with degeneration? If you know, then it would be much easier to figure out the gain with the capacitor added in parallel with Re – dirac16 Feb 27 '17 at 08:22
  • I'm not even sure what your question is! Also, you might get a better response if you learnt how to formally accept answers to questions you've raised. If you don't understand an answer then comment but, basically, the only fee that you are charged for receiving good information is pressing a button on the best answer. – Andy aka Feb 27 '17 at 08:36
  • I think he wants to calculate the gain w/ the cap added – dirac16 Feb 27 '17 at 08:38
  • @Andyaka I want to calculate the impedance seen by the bypass capacitor – Soumee Feb 27 '17 at 08:38
  • 1
    My wild guess would be assuming beeta*re value is too high and so the first part is negligible. – user3219492 Feb 27 '17 at 08:41
  • @dirac16 Yes sir, I know how to calculate the voltage gain of a common-emitter stage with degeneration. I dont want to calculate the gain here , I want to calculate the impedance seen by the bypass capacitor. – Soumee Feb 27 '17 at 08:44
  • @user3219492 So the calculation is probably right in terms of Kirchoff's law and Theven's analysis? What do you say sir? – Soumee Feb 27 '17 at 08:54
  • @Soumee Yes, I didn't spot any discrepancy in your steps. – user3219492 Feb 27 '17 at 09:09
  • @Andyaka Sir do accept my sincere apologies. Its true that I haven't accepted many answers in electronics stack exchange because I probably didn't find them to be the answers that I was looking for. Out of moral responsibility I take time to accept the answers so that those searching answers to the same questions are not misguided. Sometimes I would have liked to vote up the answers or the comments, but with my current reputation which is less than 15, I am not able to do so as the upvoted answers are not displayed publicly. – Soumee Feb 27 '17 at 09:12
  • @Andyaka If you see my activity in Signal Processing Stack Exchange , there you will find that I have accepted answers to almost all the questions that I have asked, and upvoted the same. Should I get an appropriate answer,I wont hesitate to accept the same. Please accept my apologies. Thank you :) – Soumee Feb 27 '17 at 09:12

2 Answers2

1

Soumee, I cannot identify any error in your calculation.

However, if you replace in the third line of your calculation the term (1+β) by β, your result will be identical to the expression as given in the book. As you know the current gain β is relatively large (mostly > 100), not a constant but dependent on Ic and - more important - equipped with large tolerances.

Therefore, we often simplify (1+β) to β (without expecting not acceptable errors) - and this seems to be the only reason for the discrepancy you have observed.

LvW
  • 26,610
  • 3
  • 23
  • 56
  • Sir can you please tell if my reasoning to this question is correct or not? https://electronics.stackexchange.com/a/313238/115973 – Soumee Jun 28 '17 at 08:17
0

Here put It=0 because according to KCL algebraic sum of currents in the node is zero. \$ 1+b = b \$ (it doent make any change)

Voltage Spike
  • 82,181
  • 41
  • 84
  • 220