0

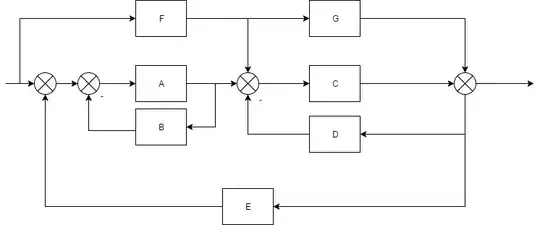
I have to solve, to reduce this block diagram: enter image description here But I don't know how to do it, I know somthing about the rules to do it, but its to basical, this complex. I tryied to do this : enter image description here And now?

user61589
  • 101
  • Write the signal expressions on each line until you get the output in terms of the input and the gains. Then see how you can simplify it and redraw. – Eugene Sh. Feb 23 '17 at 15:04
  • 2
    It's not that complex. Don't be a baby. You've made a good start. repeat what you did for A/B with C/D and there's another step down the path. – Andy aka Feb 23 '17 at 15:07
  • But C/D has the sum,A/B had just the node. Right?..I dont know how to proced in this case..can you Make me an answer Please? – user61589 Feb 23 '17 at 15:43
  • @Eugene Sh. What did you Mean? – user61589 Feb 23 '17 at 15:44
  • Are you asking for a list of rules (can be found in each good book on control systems)? Or are you asking WHICH of this rules could be recommended? (There is always a number of different approaches). – LvW Feb 23 '17 at 15:46
  • @LvW i Want to know the rules for this exercises on C/D – user61589 Feb 23 '17 at 16:03
  • As I have mentioned - a list of rules is available in control sysytem books/articles. – LvW Feb 23 '17 at 20:54

0 Answers0