The easiest way is to buy a premade USB to parallel interface unit. These are available and may not be especially expensive, but there is a cheaper way.
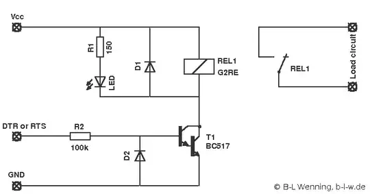
A USB to RS232 serial port interface gives you several controllable control lines that can drive relays. For example, see the diagram below. Vcc is provided by an external power supply suited to the relay voltage. Ground is commined with the interface unit and the power supply. DTR and RTS are RS232 signals from the interface unit.

From here
Many ebay USB to RS232 serial adapters
Example:

For more than a few relays, a USB to printer parallel port adapter gives you 8 actual data lines plus a number of printer port control lines that are under computer control. In most cases you will need a buffer IC to allow the logic level signals to drive relays. A ULN2803 IC, a USB to parallel printer port unit and a power supply suited to the relay operating voltage is all that will be needed.
Replace resistors and LEDs in this diagram with relays.
Zener optional. If not used connect V+ to pin 10.
V+ shown as 9V but choose to suit relays.

Excellent and extensive parallel port interfacing page
Many ebay USB o printer parallel port adapters
Example:

Parallel port to relay kitset with circuit

ADDED:
The text below is summarised from material from the reference above re parallel port adapters used for printing.
Note that using data output methods that treat the port as a printer should work correctly.
Control of low level bit adressed functions may not be possible but you should still be able to manage at least 8 lines of relay control with ease and probably a few more with a little effort. he article says:
Notes on USB parallel port adapters.
The USB-Parallel Port Adapter enables users to connect parallel port interfaced devices like printers to a desktop or laptop PC via the PC's USB port.
The parallel port through this kind of adapter looks pretty same as normal parallel port for high level programs on Windows system. The low level implementation of them is completely different, and the low level I/O control operations described in this document do not work with USB parallel port adapters.
USB parallel ports are generally targeted for driving normal printers, and not designed for anything else ... and it will not work for the direct output pin controlling described in this document.