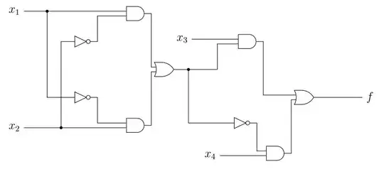
I understand that I should repreatedly use deMorgan's theorem until I am left only with NAND/NOT gates. This is easy when the starting function is an SOP/POS. However when it isn't, I get confused as to what my steps should be (both agebraically and graphically). Consider the function below:
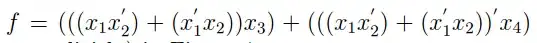
whose circuit looks like this:

I think I can do it algebraically but apparently it is possible to do it graphically (which should be the simpler approach). I can't get my head around doing it graphically, as the process is a little more involved than it is with SOP/POS. Can anyone give me a hand?




