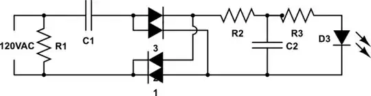
I broke open a dead LED night light before discarding it, and found this circuit:

simulate this circuit – Schematic created using CircuitLab
I'm wondering how it works. The diode bridge (actually in one package) and the low pass filters for the DC power supply seem fairly clear, but I'm puzzling over the arrangement of the initial capacitor and resistor. My guess is that the capacitor and the rest of the circuit (bridge and right of it) forms some sort of voltage divider, sized to give the right voltage to the LED; I could imagine the need for a bleeder resistor, but I don't see how R1 does that, quite. Any insights?
Certainly a minimal AC-DC power supply!
