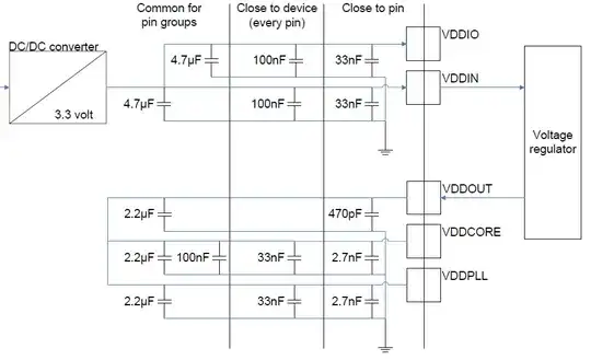
Question: I have a chip, AMTEL AT32UC3A4256S, with multiple VDDIO pins on. Do they all need a 3.3V power input or just one?
The power schematic from AMTEL shows a single decoupled VDDIO pin in their schematic -
BUT the pin out has many VDDIO pins.

Background: I am involved in a project as a systems engineer and another team is developing a custom PCB for an AMTEL AT32UC3A4256S. I decided that this would be a good chance to try and learn more about electronics and am doing some homework on the chip. It's a pretty complex chip to start out learning from but everything I find will be relevant to the project.