Small backstory: I'm bad at engineering, pretty new to it (only been a monthish). I have a few projects I'm working on with Arduino, I'm pretty good with breadboarding.
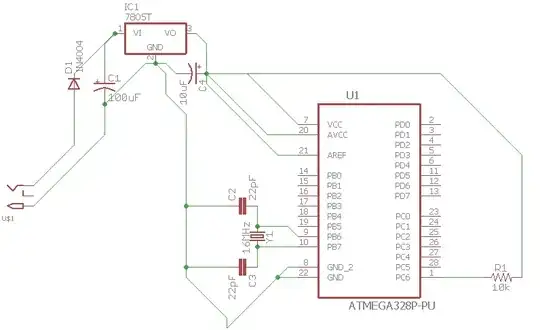
I want to make a couple permanent and since I have access to CNC machines, I figured why use perf board, I can just mill a PCB. I've milled them before, never really designed them. Wondering if this schematic would be correct?
The only warnings I receive are VCC & AVCC are connected to N$7 (not actually sure what this means, if someone can enlighten me), no errors though. I breadboarded it first, just wondering if I managed to turn it into a schematic correctly minus the really weird bends in my traces which I'll eventually fix. 