Asked
Active
Viewed 650 times
0
-
1Funnily enough the linked "duplicate" doesn't have the classic answer, which is Andy's second circuit, which works very well if the output isn't heavily loaded. – Oct 24 '16 at 09:13
-
Is there other methods to do it? can i change the resistor value or capacitor? – Vincci Oct 24 '16 at 09:20
1 Answers
5
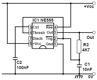
Try this: -
R1 dictates charge time of C1 and R2 dictates the discharge time.
Or this: -
Taken from here
Alternatively put a d type flip-flop on the output to divide the frequency by two and deliver a very good 50% duty cycle.
Andy aka
- 456,226
- 28
- 367
- 807
-
Is there other methods to do it? For example by changing the resistor value or capacitor value? – Vincci Oct 24 '16 at 09:21
-
2You cannot ever achieve a perfect 50% duty cycle with the standard circuit because charging the capacitor is done via two resistors whilst discharge is done via one resistor so, duty can be nearly 50% to nearly 100% with the standard circuit no matter how hard you try to change any value. – Andy aka Oct 24 '16 at 09:26


