1

I have this working

schematic

simulate this circuit – Schematic created using CircuitLab

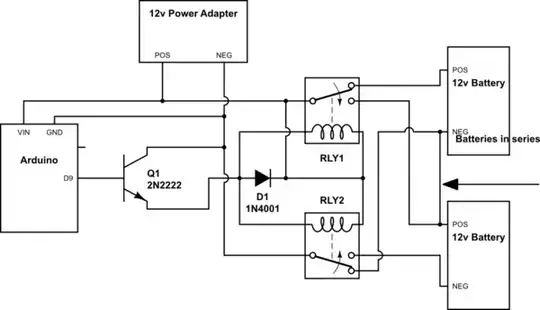
An Arduino commute both relays and a power adapter charge each battery at a time.

I would like to replace each relay by a MOSFET. How can I do that?

I think the solution bellow will not work because DRAIN is always connected to SOURCE and this will short circuit batteries. MOSFETS only isolate from SOURCE to DRAIN.

When the D9 is HIGH, D10 will be LOW so the power adapter will never be charging both batteries simultaneously.

schematic

simulate this circuit

Sorry for the messy schematic.

Thank you very much.

Victor Santos
  • 153
  • 4
  • 8
  • 6
    A schematic would be more helpful. I'm just guessing what that is. – gbulmer Oct 05 '16 at 03:07
  • 1
    That circuit doesn't look right (you're driving the MOSFETs' sources with the on/off signal?) but it's hard to tell without a schematic. Have a look at this question and its answers. – Null Oct 05 '16 at 03:25
  • Victor, there is no standard pinout for transistors. Different manufacturers may use different pinouts even if the devices look similar. It's a good start that you put an image, but we don't know which pin is which. – Dan Laks Oct 05 '16 at 03:56
  • 1
    remotely related question about MOSFET SSR for DC: http://electronics.stackexchange.com/a/86333/7036 – Nick Alexeev Oct 05 '16 at 04:07
  • In addition to the sources and gates being almost certainly reversed, those are N-channel MOSFETs, so you would need a high side gate driver to switch them on. – jms Oct 05 '16 at 04:10
  • For now I'm using IRF9540 and 2N2222 to drive it but I would like to try FQP30N06L (N-Channel) and I saw at Sparkfun that they connect GATE pin directly to Arduino. – Victor Santos Oct 05 '16 at 16:04
  • Why not just use a single fet? What is the rest of your circuit? – Wesley Lee Oct 05 '16 at 16:11
  • @VictorSantos: (1) You have no ground reference on the DC Line 1 / Line 2 side so the circuit will not work. (2) Most SSRs use opto-isolators to isolate the control circuit from the load circuit. You should probably do that too. – Transistor Oct 05 '16 at 16:15
  • Thank you @Transistor. GND of line 1 and 2 are tied together because I'm using now a PChannel FET. – Victor Santos Oct 05 '16 at 16:34
  • @WesleyLee, I would like to replace a 10A mechanical relay. If I use a single FET I isolate Line 1 from Line 2 but not the inverse. An SSR/Relay when off isolate in both directions and that is what I want using MOSFETS. Thank you very much. – Victor Santos Oct 05 '16 at 16:37
  • @VictorSantos: (1) I don't understand your comment. If you have modified your circuit then you need to modify the schematic in your question. (2) You only need two FETs to block AC. You are switching DC so you only need one. (3) Do you understand that there has to be a connection between the control circuit GND and your DC lines somehow for the FET to switch? You have not shown any connection so the circuit can't work. – Transistor Oct 05 '16 at 17:09
  • @Transistor, thank you. I'm not working with AC, I'm using DC. Like I told do WesleyLee, if I use only one FET I block from SOURCE to DRAIN but not the inverse (DRAIN to SOURCE). How can I block from DRAIN to SOURCE and completely isolate both sides? I modified my image because I connected the wrong pins. I have put the schematic because everyone said that is better to understand what I want. – Victor Santos Oct 05 '16 at 18:15
  • That edit is better. Now add in your load. Note that Q2 NPN will not work with its collector connected to GND like that. – Transistor Oct 05 '16 at 18:32
  • @Transistor, but it's working. Look at second schematic. – Victor Santos Oct 05 '16 at 19:07
  • I picked up on the relay drive transistors (Q1 and Q2) being around the wrong way! They will only work with a positive potiential across C-E and B-E. Another thing is why do you want use a MOSFET? Sometimes relays are just a better option. – crowie Feb 08 '17 at 14:38

3 Answers3

1

The schematic looks either too complicate or wrong to me. From my understanding, you charge or discharge the coil to make the mech relay work, same thing, you put High or Low voltage on the Gate terminal to make a MOSFET work.

So you can simply connect the emitter of your BJT(BJT can be controlled by your Arduino) to the gate of the N-MOSFET. When there is a High voltage (12V should be fine) on the gate, N-MOSFET act like a closed switch( PMOS work the opposite way). The power adapter should charge the battery.

schematic

simulate this circuit – Schematic created using CircuitLab

A SPST mech relay could use one NMOS, A SPDT mech relay could use a NMOS and a PMOS, try it to see if it works.

LVmiao
  • 87
  • 4
0

schematic

simulate this circuit – Schematic created using CircuitLab

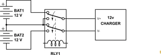
Figure 1. Using a relay to switch one charger between two batteries.

Is this the relay circuit you wish to convert to transistor?

Transistor
  • 175,532
  • 13
  • 190
  • 404
  • Yeah. I have your circuit working and I want to change to transistors. – Victor Santos Oct 05 '16 at 19:30
  • 2
    OK. You need a major rewrite of your question. It's a complete mess. I'll leave this schematic here. You can copy it into your question or reference this. Explain in your question what is presently controlling the relay. – Transistor Oct 05 '16 at 19:32
0

schematic

simulate this circuit – Schematic created using CircuitLab