5

enter image description hereI have a Xytronic 988 soldering station. It has a regular soldering iron on the left and an iron with a vacuum pump on the right. It has served me well over the years and one day when I was swapping irons I accidentally attempted to plug in an iron into the wrong plug and I heard a pop and the station stopped working. Even thought the power was off there was AC at the handle plug and I shorted something. I pulled it apart and found a transistor blown apart. I figured it would be an easy fix.... One month, twenty plus dollars in parts and many changes of components it is still not working correctly.

The problem is on the right side, the handle with the solder vacuum pump. When you press the button on the handle the pump turns on and runs and when you let the button go, the pump will run for a few seconds, like it should and then there will be a big surge in current and sometimes it will blow the fuse on the Xytronic. This big surge shouldn't be there. Everything else is working as it should.

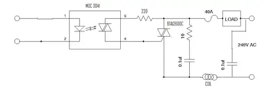
I looked into this circuit and it is using a zero crossing triac in a six pin DIP. A MOC 3041 this triggers the triac a BTA12 600C. It has a coil, two .1uf caps? or protection devices. A few resistors in this part of the circuit. I check them all out of circuit and they seem to check OK. It is kind of typical of AC triac motor circuit. I tried to upload the schematic but I am having problems with the cookies on this site and it won't let me do it because it things this is my first question. What looks simple, and just might be has me perplexed. What would cause this big surge of current when the motor stops? Thank you, Russ

This is the schematic from the motor part of the circuit board. The load goes to a small AC motor 110V. It isn't 240V,as marked in the picture. it is all 110. I took a schematic I found on the web and changed a few parts in paint shop to get it match what I had. It seems like I see this type of circuit in a number of places. The .1uF are square plastic film or some kind of protection caps. Thanks again, Russ

user7684
  • 191
  • 3
  • 5
  • 1
    We're gonna need the schematic to help with this one - I upvoted you to get you on the way to having enough points to post pictures. Until then, could you upload it to somewhere else and link to it, then I'll add it into your post. – Oli Glaser Jan 25 '12 at 04:56
  • If you can post the circuit anywhere and supply a link we can display it for you. Or if you attach it as a JPG image to an email and email it to RussellMc+PICDT@fotki.com (or all lower case OK) it will turn up here in a few seconds and we can view it and copy it – Russell McMahon Jan 25 '12 at 07:50
  • The vacuum pump motor may be a brushed motor with a segment grounded. If peak mains is applied when the motor is going slowly this may cause the problem. Look at motor if easily accessible. If it is brushed and if comm is easily accessible then resistances should be symmetrical from any com segment to any other N away. eg N to N+1 = same value all round. Or N to N+3 is same all round. (IO donty mean that N to N+1 = N tpo N+3). – Russell McMahon Jan 25 '12 at 07:54
  • I am pretty sure the motor is a shaded pole motor. I know there are no brushes. The resistance seems a bit low around 6ohms and varies erratically around that number. But it runs fine and tests like the others I have like it. I really wondered if the motor could have been damaged and I didn't think so. but, sometimes things check ok but are still not right under use. – user7684 Jan 25 '12 at 09:35

1 Answers1

2

Be sure to use plastic caps ( polycarbonate or similar ) for low impedance filtering of spikes from motor when switched off at peak voltage. THis would likely be random and determined by timer in pump circuit. An improved design would also have zero-crossing triac cut-off connected to manual switch for solder iron pump. So 1) verify Plastic cap is same 2) check for pump motor shutoff spikes

Scope to verify.

Tony Stewart EE75
  • 1
  • 3
  • 54
  • 185