0

Is there any real connection between the place where the earth fault takes place and the neutral of transformer?
How can earth fault current take the earth as a path to the neutral of transformer?
Is it due to ground grid?

Kevin Reid
  • 7,524
  • 1
  • 26
  • 44
oussama aatiq
  • 43
  • 2
  • 3
  • 9

3 Answers3

1

Power distribution practices may vary between countries.

In my area (and probably most of US and Canada) the power company's Neutral conductor is connected to an earth ground rod at each step-down transformer, and at the service entrance for each customer. With this system, a leakage from a hot wire in my home to earth (through a water pipe, for example) will get back to Neutral via the Neutral/Earth connection at my service entrance, and also through the Neutral/Earth connections at nearby power poles.

I consider the name "Ground Fault Circuit Interrupter (GFCI)" used in North America to be slightly misleading - the GFCI will trip if the hot wires (or Neutrals) of two circuits are shorted. Anything that causes the Neutral and Hot currents to be different will trip the GFCI. Earth leakage need not be involved.

Peter Bennett
  • 59,212
  • 1
  • 49
  • 132
  • Is there any constraint about the distance between the earthed neutral wire of step-down transformer and grounding rod of my equipment which if lacks of insulation (leakage current)? – oussama aatiq Aug 31 '16 at 22:10
  • @PeterBennett: I understand your last point but others may not. I think you are saying that, for example, current returning through a different neutral path could cause a trip. This is a common problem if a socket circuit neutral wire gets connected to the lighting neutral (which is not on the RCD/GFCI) instead. In this case the earth is not involved. – Transistor Aug 31 '16 at 22:16
1

There are basically two broad families of earthing:

  1. TT - This is where you have the neutral of the supply transformer connected to earth through a rod (T), and the earth of the consumer connected to earth through a rod (T). Any earth leakage thus must travel through the ground at a relatively high impedance back to the neutral of the transformer.

  2. TN - This is where the neutral of the supply transformer is connected to earth through a rod (T) but the earth wire of the consumer is connected to the neutral wire of the supply. Any earth leakage on the earth wire immediately goes straight back to neutral, but leakage to physical earth must still go through the high impedance route back to the transformer.

TN gets further subdivided into smaller types, the most notable of which used to be called protective multiple earths, but is now called TN-S. In this arrangement there is an extra earth conductor running parallel to the neutral conductor back to the transformer - so the connection to neutral is directly at the transformer, not at the consumer premises. Further to this is the "multiple earth" component, where that protective earth cable is itself connected to earth at various points along its length. This serves to reduce the impedance of the return path through the ground.

The Wikipedia page on earthing systems has a good table describing the differences and pros and cons of each of the different schemes, comparing cost against safety.

Which system is in use for your supply depends on a number of factors, including local regulations and the physical geologic environment.

Majenko
  • 56,223
  • 9
  • 105
  • 189
-1

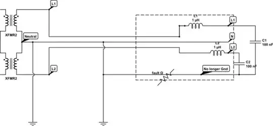
No

schematic

simulate this circuit – Schematic created using CircuitLab

Tony Stewart EE75
  • 1
  • 3
  • 54
  • 185