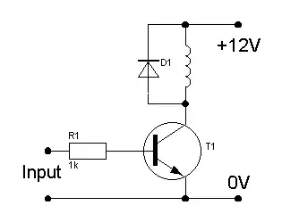
As a summer project I am trying to create an automatic irrigation system. To do so, I created a circuit with a single transistor which will move from saturation to off and thus behave as a switch.

simulate this circuit – Schematic created using CircuitLab
http://www.electronics-tutorials.ws/wp-content/uploads/2013/09/tran46.gif?81223b
After a few days struggling and learning, I successfully managed to make it work:
V1=0 ===> Vout=9v
V1=3.3v ===> Vout=0v
The next step is to connect a 9v water solenoid valve to Vout and to earth, so that when V1=0 the valve opens and when V1=3.3v the valve closes. I tried the valve connecting it directly to the 9v battery and to earth and it works. However, when I connect it to Vout it does not work. I measured the voltage in Vout when it is 9v and as soon as I connect the valve, Vout drops to around 1v. What is happening? Is it perhaps that the valve is like a resistor and so I need to recalculate the value of the resistors?
