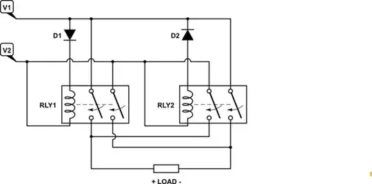
I am looking for a circuit that will power my device with 12-24v no matter the polarity, the device will use around 1a maximum.
I know a bridge rectifier should work but I cannot deal with the voltage drop.
So if the supply is connected in reverse the device will continue to operate.
I need this because the wiring it will connect to cannot be changed, both conductors are the same colour, the connector is polarised and there is a good chance that the connections in the connector could be reversed.
I have looked up reverse polarity protection circuits but they just protect rather than make it work.
Has anyone got any example circuits or could tell me the terminology to search for?
