0

I bought two SN7489 because I wanted to learn how the memory chip works. I followed the datasheet. I don't seem to be able to get it to work.

After playing around for some time with the IC, it got really hot and I am afraid that I ruined the chip. So, I would like some help understanding how to properly hook up the IC before I ruin the second IC that I have.

I use V_cc at +5V.

I have, for now, fixed the address pins 1, 13, 14, 15 directly to ground to fix an address.

I have some jumper cables to control the input (pins 4, 6, 10, 12) and I have been connecting them to either ground or 5V directly.

I realized after some time that the outputs are "open collector", but I am not 100% sure what this means. From what I can Google, I am guessing that I would attach, for example, a 470 Ohm resistor and LED to +5V to the output pins. That way when the output pin goes HIGH (or LOW?) there should be a circuit from ground through the led and the resistor to +5V. Have I understood this correctly?

Pins 2 and 3 (the write and memory enable) I have (with jumper wires) attached to ground and/or +5V. I assume that the memory enable should just stay low at all times, but I did try moving it around.

My question is: What am I doing wrong? Do I need some resistors somewhere in all of this?

I would like to see a schematics for how connect the IC with resistors and other things needed.

I don't know a bunch and I am just trying to learn.

Thomas
  • 229
  • 3
  • 9

2 Answers2

2

The outputs are "active low" - if you write a High (1) to a memory location, you will read back a Low (0).

The outputs are "open collector" which means that the output transistor's collector has no connection inside the chip - you need to add a pull-up resistor to see a high output. Your LED + 470 ohm to +5 will light the LED when the output is low, which will indicate you wrote a "1" to that memory location.

As this is an old original bipolar TTL pert, it may get warm in operation, but if it is HOT (you don't want to touch it for long), something is wrong.

Peter Bennett
  • 59,212
  • 1
  • 49
  • 132
1

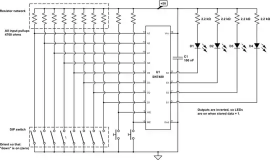
Rather than just moving wires to change your inputs, it would be well worth your while to get a DIP switch and a bunch of resistors (or a SIP resistor network). I would hook the 7489 up as follows:

schematic

simulate this circuit – Schematic created using CircuitLab

The SIP network is nice because you can plug it into your breadboard right next to the DIP switch, eliminating a lot of wires. Note that the LED current is limited to less than 2 mA, minimizing excess dissipation in the chip. Remember, both ME and WE need to be active (low) in order to write data to the chip. As you said, you could just tie ME low with a wire for this test.

Dave Tweed
  • 172,781
  • 17
  • 234
  • 402
  • Thanks for the answer. I still can't get it to work, but I will accept your answer because you provide a general schematics for the chip. I am guessing that the 7489s that I got are broken. Even when the ME isn't pulled low I can the first output lights up an LED. – Thomas May 27 '16 at 22:28