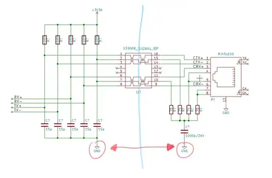
I am doing a test board to learn more about ethernet, differential pairs, etc.
I understand that the transformer will isolate my board from the world. But I wonder how to design the termination circuit.
What about the center tap? Can I use the same GND in this case?
This is the schematic I am using:

