0

I was recently confused on where the resistor would go on the circuit. I then learned that it didn't matter. Is there a standardized sequence for the placement of resistors? For example,

battery -> resistor -> led

or

battery -> led -> resistor

I know it doesn't make a difference, I just want to know which one is more common. Thanks!

Kyle
  • 3
  • 2

1 Answers1

1

With 1 LED and 1 current limiting resistor it does not matter and there is no convention. Not for schematics (where there are a lot of conventions for readability). And not for PCB layout where practicality, space and good engineering normally win out.

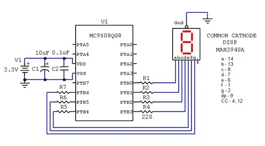
That said, in some cases the resistor needs to go between the power supply and LED (such as common cathode displays): enter image description here

And in others between the LED and ground (such as common anode displays): enter image description here

But these are examples where the design (arrangement of LEDs) dictates the placement.

st2000
  • 3,334
  • 10
  • 12