According to my course book, Potentiometers produce a linear output as a function of displacement, provided that the potentiometer is not electrically loaded!, what is electrically loaded???, mean in this context! Looking for a simple and straight forward answer!
-
2Easy on the ? and ! and bolface, this reads like you are shouting. And better make the title a true question, now it seems more like a cry of dispair. – Wouter van Ooijen Apr 30 '16 at 12:19
-
Thahahaha!! sorry for that, that was never my intension !! the bolds are just to high light the important message! – Hilton Khadka Apr 30 '16 at 12:48
-
Again: why five ! in three sentences? We can read you loud and clear with just a . as terminator. – Wouter van Ooijen Apr 30 '16 at 12:53
-
Ok, i will keep that in mind next time i reply. That is a bad habit i got from social medias. – Hilton Khadka Apr 30 '16 at 12:55
-
@HiltonKhadka
– Spehro Pefhany Apr 30 '16 at 13:52 -
why
? @SpehroPefhany – Hilton Khadka Apr 30 '16 at 13:56 -
Social media reference - shaking my head. – Spehro Pefhany Apr 30 '16 at 14:01
-
Oh, i was just curious why
, is it because the way of asking questions seems wrong? – Hilton Khadka Apr 30 '16 at 14:03 -
Not all potentiometers are linear: logarithmic pots (and anti-log) are available too. Why should I use a logarithmic pot for audio applications? – Andrew Morton Apr 30 '16 at 20:41
2 Answers
It means that the wiper should only be connected to circuits that offer a high impedance such as the non-inverting input of an op-amp. Imagine you had a 10k resistor set half way across a 10V supply. The output would be 5V - now put a fixed 5k resistor from wiper to ground and the wiper voltage drops to 3.333V.
- 456,226
- 28
- 367
- 807
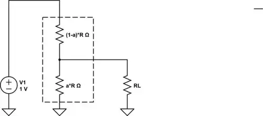
Consider voltage divider as follows, where a represents the pot shaft electrical rotation from 0 (fully CCW) to 1 (fully CW):

simulate this circuit – Schematic created using CircuitLab
Here the pot is assumed to be perfectly linear so that the resistance of the bottom section of the pot varies from 0 to R ohms as a varies from 0 to 1, and the top section varies in the opposite direction from R to 0. I've also ignored the wiper series resistance for simplicity, but it's easy to take account if if you want.
I've attached a load resistor to ground RL. It should be easy to see that at either end the load resistor will make no difference to the output voltage. However when a is between the ends, a lower resistance at RL will reduce the voltage available at the wiper (and therefore across RL). I've plotted the curve for a 10K pot with 1K, 5K, 10K and 1M load resistance:
For example, with a 10K load, the output voltage will be 0.4V, not 0.5V, a 20% difference.
- 397,265
- 22
- 337
- 893
