0

firstly apologies I'm a newbie at practical electronics!

I have a sensitive little thing which can measure 0-3.3v DC in steps of 0-1023. I'd like to use it to measure the voltage on a "12v" vehicle battery - which as I'm sure you know can go significantly higher when being charged through an alternator so really I need to figure out the following:

What circuit can I design to take a DC input of between... 10v and 15v... DC and bring it down to <3.3v in such a way that I can still measure the difference?

I have seen some similarish posts but all have been (a) relatively specific and (b) not explained in laymans terms that I could understand.

thanks

  • 1
    Do you know the concept of a (resistor-) voltage divider? – Wouter van Ooijen Apr 17 '16 at 09:12
  • I guess the problem is to convert the range 10 V .. 15 V into 0..3.3 V. This is not about just voltage divider. – Master Apr 17 '16 at 09:57
  • What kind of ADC do you have? Do you have any reference voltage? Or you just want to scale down 0 V -> 0 V and 15 V -> 3.3 V ? – Master Apr 17 '16 at 09:59
  • I don't know what kind of ADC I have, and I'm not even sure what a reference voltage is! I'd certainly love to learn about a voltage divider. – Oli Howson Apr 17 '16 at 12:56

1 Answers1

1

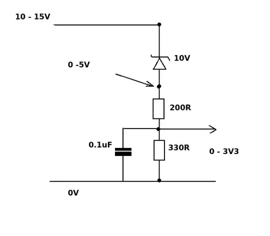
A simple way of doing this would be to use a series zener diode.

enter image description here

Below 10V the zener will not conduct and the output will be 0V.

Above 10V the zener will pass current into the voltage divider. This divider reduces the voltage (0 -5V) to give a 0 -3V3 output.

The .1uF across the 330R helps to filter noise.

The Zener current will be determined by the input voltage, zener voltage and the two resistors. In this case the maximum current will be 9.4 mA ((15 - 10) / (330 + 200))

JIm Dearden
  • 19,036
  • 30
  • 40
  • Maybe a clamp diode to 3.3V? We're not sure if 15V is abs max – Wesley Lee Apr 17 '16 at 10:38
  • That looks like what I need! Now I need to find some cheap components, dig out a breadboard, try it out and the if it works find some way to connect it all to my microbit! – Oli Howson Apr 17 '16 at 12:57