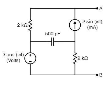
For this circuit, I am trying to find the equivalent Thevenin impedance by disabling the sources and calculating the resistance between points A and B. What happens after the voltage source is replaced with a wire? I have the current source being an open circuit so the capacitor and 2k resistor are in series, but does the wire contributed from the voltage source short this combination? If so, would the resulting equivalent resistance just be the two kilo ohms in the top left? Thanks for any help
Asked
Active
Viewed 7,377 times
2
-
Impedance (not resistance) is the key term. How do you account for the effect of the capacitor? – JIm Dearden Mar 18 '16 at 18:21
-
Have you tried drawing the voltage source with a wire and then maybe moving components around (while keeping the same connections) to see if things are in parrallel or in series ? – efox29 Mar 18 '16 at 18:22
-
I'm sorry, I don't really understand what can the capacitor do? I replaced the voltage source with a wire, and connected the resistor and capacitor in series to form an equivalent impedance, and this equivalent impedance is in parallel with a wire. – David M Mar 18 '16 at 18:50
1 Answers
1
Your analysis is correct.
We first replace the current source with an open circuit and the voltage source with a short circuit.
Now we note that the bottom 2k resistor is in series with the capacitor but this series combination is shorted by the voltage source so they can be removed from the circuit in this simplification.
Now we have a 2k resistor in series with a short circuit so the impedance is in this case purely resistive and has a value of 2k as you thought.
Note its important to keep thinking of this as an impedance, while in this circuit the impedance is purely resistive, most ac circuits with inductors or capacitors in them will have an impedance that varies with frequency and has a phase shift associated with it.
Warren Hill
- 4,840
- 20
- 32
-
Alright thank you very much for the help. This is my first time encountering this situation so I was a bit confused. – David M Mar 18 '16 at 18:52
