Have a look at this article.

simulate this circuit – Schematic created using CircuitLab
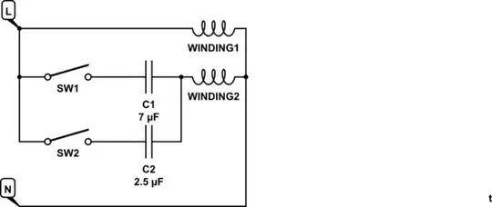
Figure 1. 3-speed fan control.
It appears that the standard speed control uses additional capacitors in series with the windings. By switching in one or two capacitors three speeds can be obtained.
Table 1. Speed selection.
| SW1 | SW2 | Speed |
+-----+-----+-------+
| Off | Off | Off |
| On | On | High |
| On | Off | Med |
| Off | On | Low |
+-----+-----+-------+
Table 1 shows that switching in all the capacitance gives highest speed. What's not so obvious is that it also gives highest starting torque. Most ceiling fans use a pull-cord switch which cycles through the sequence above. The switch deliberately goes from off to max so that the fan will start reliably. The user can then slow down the fan by one or two further pulls.
The capacitor values will depend on your supply voltage and the rating of the fan motor. They need to be mains voltage AC rated.
f/nwherefis the AC frequency andnis the number of poles. – Rainer P. Feb 07 '16 at 18:20electronic fan speed controlleror use one of the speed switches that switch capacitors in series with the motor. – Jasen Слава Україні Feb 07 '16 at 19:23