Under the following tutorial:
http://www.allaboutcircuits.com/textbook/semiconductors/chpt-4/biasing-techniques-bjt/
They explain push pull operation. But should't negative terminal be separate with the ground? Dont we need +Vcc and -Vcc
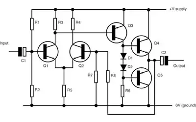
Here is the push-pull from the tutorial:
EDIT: here is my simulation:
Green is input, red is output.



