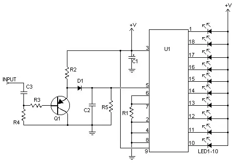
I have used the circuit diagram that is on page 2 of this datasheet and it works pretty much. I am getting the signal off the output of my computer which has been cut and then feed into my circuit and to the Logitech speakers I run my sound through.
I was wondering how and where would I introduce a part to change the sensitivity of the circuit. To make circuit light up more LED's with a lower signal level and vice-versa?
I'm also not sure that voltage of is the V+ that is I connect to the LEDs (top right of the diagram) is meant to be? I have connected it to 5V which is powering the whole circuit - do I need to place a resistor there to bring the voltage down for the LEDs?

