I'm fairly inexperienced in electrical engineer so forgive the simple question. Using a microcontroller (Netduino) and two 8bit shift register (serial in, parallel out) I'm controlling 16 LEDs.
The logic works fine, I was expecting the shift register and lights not to work when I don't plug in the auxiliary power source and just fired up the microcontroller. Right now, the microcontroller is powering all the LEDs and I don't want that.
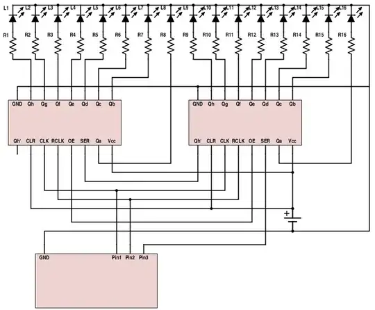
Even though the schematic isn't perfect, here is my circuit: The resistances are 220 ohms +/- 10%. The shift registers are SN74HC595s.
I know I could add NPN transistors on each of the shift register outputs, but that would require quite some transistors, and most importantly, the microcontroller would still power the shift register.
I did try to use transistors on Pins 1-3 from the microcontroller but the LEDs were still powering on without the external source of power.
As a secondary point, I know I should add one/some capacitors, but I'm not exactly sure where beside maybe a large one around the power source.
Edit: Here is the adapted schematic, in which the outputs triggers a transistor for each LEDs. I didn't replicate the transistor for every LEDs, but it's assumed that from Qa to Qh on both shift register, it's the same:

