2

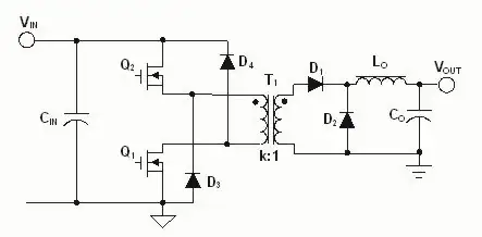
I want to design a Two switch Forward Converter. So is there Gap required in this topology like a Flyback converter or not. My second question is, can I calculate the transformer turns ratio of the 2 switch forward converter like a single switch flyback converter or it is a different procedure. Thanks enter image description here

Autistic
  • 14,616
  • 2
  • 28
  • 65
  • 1
    You treat this not as a flyback converter but rather as a buck converter with an extra isolation transformer that can provide voltage stepping based on the turn ratio. – rioraxe Nov 08 '15 at 20:34

1 Answers1

2

It's much less probable that your forward converter will require a gap (compared to a flyback transformer). In a flyback design, ALL of the energy transferred to the output (and needed by the load) has to be initially "stored" in the primary inductance whereas, in a forward converter, you are basically applying AC to the primary and rectifying the secondary i.e. it is more like conventional transformer action.

Having said that flyback transformers do not necessarily have a gap in the core. If they do have a gap it's because the basic core size isn't big enough to support the magnetization inductance required to deliver the energy to the output. A gap introduces a lowering of the effective permeability of the core - let's say the permeability is reduced to 25% due to the gap then, to restore the inductance, twice\$^1\$ the primary turns are required. This means twice the ampere turns and therefore twice the H field in the core but because flux density, B = permeability (\$\mu\$) x H, B is halved thus saturation is significantly reduced.

So, the "ampere turns" in the secondary that "feed" the load are totally cancelled by the ampere turns in the primary due to that load i.e. there is no magnetic core saturation due to any loading conditions on the output.

If core saturation does occur it's because the primary is still an inductor connected across an AC input voltage; the inductor might have enough magnetizing current flowing through it and it might have sufficient number of turns to create a sizable H-field that may lead to core saturation but, as I said earlier, it is the flyback design that MUST store large quantities of energy in its mag inductance and this is incidental for the forward converter - it converts volts to volts and the flyback converts energy to energy by using the magnetization inductance in a way that a conventional transformer doesn't.

See my answer given a couple of days ago to understand why secondary ampere turns cancel out on the primary i.e. loading a transformer does not make it saturate more.

Here is a nice picture from an ON semi document that explains how magnetization current is reset each cycle: -

enter image description here

If you read page 8 of that ON semi document you'll read this: -

Energy is stored in the magnetizing inductor. This energy does not participate to the power transfer.

Hence the magnetization inductance is incidental to operation but may cause saturation if the core is too small.

As for your 2nd question duty cyle is used to control the output voltage rather like a flyback converter but it's more linear on this type of design - in a flyback if you double the duty cycle you double the primary current which quadruples the energy delivered to the secondary. Not so, as far as I am aware on a forward converter - it's more linear i.e. double the duty cycle and output voltage doubles largely irrespective of load.


\$^1\$ twice the number of turns means four times the inductance but if permeability has dropped to one-quarter then inductance is maintained.

Andy aka
  • 456,226
  • 28
  • 367
  • 807