I have always used level translators when communicating between 2 systems(or controllers) of different voltage levels. For eg txb0108 is a commonly used one, among a host of others. Now, why should one use such an ASIC. Why can the same be not done using a voltage dividor or such a simple and cheap component ? What is the major game changing advantage when we use such dedicated ASICs ? Ofcourse, these ASICs might come power packed with buffers and such facilities, but if it was a straighforward voltage level lowering can the resistors suffice ?
Asked
Active
Viewed 2,902 times
3
-
1If you know what load to drive and how it affects signal integrity, you might be able to get away with a divider, but in most cases you either don't know or the signal integrity crapsout. – PlasmaHH Oct 21 '15 at 10:58
-
could you kindly explain please ? – Board-Man Oct 21 '15 at 10:59
3 Answers
5
"Why can the same be not done using a voltage dividor or..."
Because a voltage divider consisting of 2 resistors:
- can only interface between a higher voltage to a lower voltage, for example: 3.3 V to 1.8 V
- the divider forms a resistive load, when a signal is 1 a current flows. This is unacceptable for low power applications.
- it only works properly at the input/output voltage ratio it is designed for so a divider for 3.3 V to 1.8 V might not work for 3.3 V to 2.2 V
- The impedance level of the output signal increases because it comes through a resistor, not from a low impedance output. This is problematic for high frequency signals.
Proper levelshifters don't suffer from these disadvantages.
So in general: no, a resistive divider cannot replace a proper levelshifter. Maybe in some applications it can but be prepared for all the disadvantages listed above. Is is worth that ? I would say no and just use a levelshifter.
Bimpelrekkie
- 80,812
- 2
- 94
- 185
-
True. To be more precise, an other similar divider can be made for 3.3 to 2.2 Volts too, but resistor values have to be changed. – Szundi Mar 15 '22 at 07:01
4
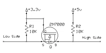
This is my favorite simple levels shifter circuit. It's bidirectional and everything.

The only real downside is a semi decent driver is required, a weak one won't cut it.
vini_i
- 7,108
- 3
- 33
- 52
-
The thing is that he wants passives, not just discretes. So what this question really needs as an answer is a tuturial on signal integrity. – the gods from engineering Oct 21 '15 at 11:08
-
1@RespawnedFluff Bidirectional level shifting is not possible with only passive components. To directly replace the txb0108 at least one discrete is required. – vini_i Oct 21 '15 at 11:13
-
Alas it's unclear from the question if he even wants bidirectional... – the gods from engineering Oct 21 '15 at 11:20
-
yes I get your point. But suppose I need to merely step down a voltage then, can I not do it using a voltage divider ? – Board-Man Oct 21 '15 at 11:21
-
1
Eh, unidrectional high-to-low can be done with resistors and diodes https://www.maximintegrated.com/en/app-notes/index.mvp/id/3007
the gods from engineering
- 14,475
- 2
- 45
- 98
-
This of course suffers from all the problems listed in @FakeMoustache's answer. And I'm not going into more details, because I found we have another question on this in-line resistor solution http://electronics.stackexchange.com/questions/21055/voltage-level-shifting – the gods from engineering Oct 21 '15 at 21:53
