Apologies before I dive into the question. This is the best title I could think of for a more complex question.
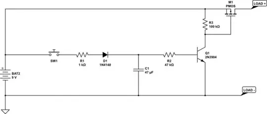
Is it possible to have a timer circuit that consumes no power when quiescent? I mean that the circuit draws no power whatsoever, until a button is pressed momentarily. The button press might only last 0.1 seconds. Following the actuation, the timer outputs a 100 mA signal for say 5 seconds. The timer then reverts to it's quiescent state again.
This is for:-
I have a large posh antique door bell push. I don't want to replace it with some plastic thing from Taiwan. Unfortunately it's very prone to contact oxidation, so the electrical operation is very erratic. I want to operate it from batteries only. Hence I'm looking for zero current drain whilst not operating. Due to the electrically noisy contacts, I thought of using some form of monostable based pulse stretcher plus capacitor thingie. Upon pressing the button, the timer would operate a loud electro mechanical ringer, then stop.
This circuit arrangement seems possible to me, but it's realisation remains just out of reach. Perhaps something with relays? Is this actually possible, or would I be violating some fundamental law of logic?
Edit: I'm looking for a simple electrical solution to this with such as relays, capacitors, monostables, e.t.c. I don't have access to a micro controller development environment, nor any credible C skills.


