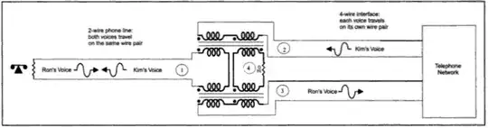
Suppose the following circuit:
I can see how an incoming signal (Kim's voice) wouldn't be coupled with the lower pair, but I can't see how an outgoing signal (Ron's voice) only goes through the lower pair.
When the signal from the upper pair reaches the hybrid then one part of it goes to the 2 wire telephone line (seeing a line impedance of Z1) and the other part (right inner inductors) does the same except it will 180° out of phase when it reaches the lower pair (because the impedance Z0 perfectly matches Z1). As such Kim's voice won't travel back.
On the other hand, I don't understand how a signal coming from the left phone would only travel through the lower pair.


