1

I have a PCB mount Right-angle DC Barrel Plug with three connections and am wondering if it is a switched jack as described in the thread What to do with third contact in DC barrel plug with only two input contacts and if so how to tell (like this question How do I tell sleeve from sleeve shunt on this connector?) (apart from the inside connection) which one is the sleeve and sleeve shunt or if one is just for mechanical support.

I do not yet have the jacks I am going to order them however I am currently making the pcb and wish to send it away before they would arrive otherwise i would simply test with a multimeter.

Mechanical Drawing

Brochure

ElecEnthusiast
  • 699
  • 3
  • 8
  • 20

1 Answers1

2

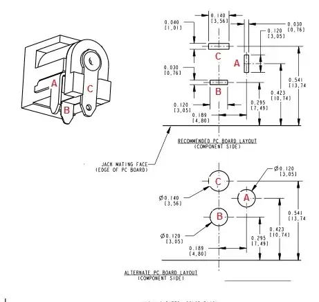
That mechanical drawing is terrible. The little picture of the housing on the left is not oriented at all like the layout for the PCB on the right. Using the lines at the bottom of each layout diagram, which is supposed to be the edge of the PCB (where the hole in the connector will face), I have labeled the pins on the left drawing with the one on the right.

enter image description here

I found this drawing on the Digi-Key site, for this part:

enter image description here

So it appears C is the center pin terminal, A is the shunt, and B is the sleeve.

tcrosley
  • 48,066
  • 5
  • 98
  • 162