4

I'm developing a device with changeable AAA batteries running at 3V. Since the end user can change the batteries there is a chance they may be put in the wrong way around. The circuit basically consists of an ATTiny85 and some LEDs. Do I need to add a reverse polarity protection circuit to my design or should it be fine without?

If it needs one, what is the simplest way to achieve this? Just a single diode between +3V and Vcc on the MCU should do, right?

David Högberg
  • 1,835
  • 2
  • 22
  • 34
  • 2
    The ATtiny85 is only speced down to about 2.7V. For operation on 2 AAAs (especially rechargables) you'll probably want to use the ATtiny85V instead. – Ignacio Vazquez-Abrams Jul 01 '15 at 17:17
  • I didn't know there was a low voltage version of the ATTiny85. Thank you, this helps me! – David Högberg Jul 01 '15 at 17:28
  • There's a nice trick using an NMOS instead of a diode for reverse protection. This way you don't get the diode drop, which you really don't want in a battery device. – avl_sweden Jul 01 '15 at 17:30
  • I heard it was with a PMOS. – Ignacio Vazquez-Abrams Jul 01 '15 at 17:41
  • Provided you find a suitable nmos with low enough threshold voltage. Search for "nmos reverse voltage protection" on this site and youll find circuits. – avl_sweden Jul 01 '15 at 17:51
  • 1
    Another approach is physical protection. Some battery compartments have ridges around the positive terminal. With a correctly inserted battery, the bump on the positive end of the battery will go between the ridges and make contact. However, with a backwards battery, the flat negative end will not make contact. If you have this arrangement, you have little need to electronic protection. – DoxyLover Jul 01 '15 at 18:01

2 Answers2

4

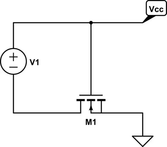
A better solution for reverse polarity protection using a P-channel MOSFET:

schematic

simulate this circuit – Schematic created using CircuitLab

This circuit has virtually no voltage drop across the MOSFET, where-as a diode will have one (even a schottky diode might have a ~0.25V drop).

Note that this circuit requires that \$V_1 > V_{th}\$, which in this case would be ~2V. Also with 2AAA batteries you might have a hard time driving some LED's, especially as the batteries drain.

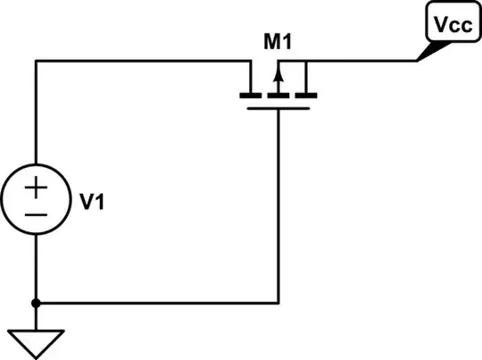
If you prefer, here's an equivalent circuit which uses an N-channel MOSFET. Similarly, it requires \$V_1 > V_{th}\$

schematic

simulate this circuit

For a more complete explanation on why these circuits work, I would recommend watching this (it only covers the PMOS circuit, but a similar concept applies to the NMOS circuit).

Another related question: Is a Schottky diode appropriate for reverse polarity protection?

helloworld922
  • 16,770
  • 10
  • 56
  • 88
0

enter image description here

Operating Voltage For ATtiny85 is 2.7 to 5.5v. You are trying to run your system with just two AA batterries i.e aprroximately 3.2v (Battery voltage is a bit higher than rated not just 1.5X2=3V). So when you put a silicon diode in series then you would loose approx. 0.7V. That means you would only have (3.2-0.7=2.5V) which is lower than what is specified on Datasheet. Moreover, if you are drawing 100ma of current then it dissipates 0.7x100ma=70mW of power which is too much for a battery powered system. A schottkey diode has a voltage drop of about 0.25V. It may do the job.

Arjun
  • 680
  • 1
  • 5
  • 24