Alright, say I have this Inverting Opamp, but it so happens the positive input to ground is also connected with another sub-circuit that happens to produce a lot of noise (no pun intended):

simulate this circuit – Schematic created using CircuitLab
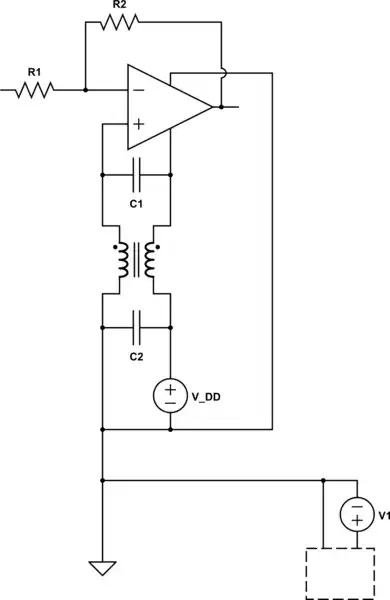
Now, say there's nothing I can do about the noise source, would it help if I were to put an LC filter on the positive input to ground. I would also like to use a common choke for the inductor, with the other side going at V_DD:

Or would this just be detrimental to the performance of the opamp?
Would there be a better way to filter/stabilize the ground leading to the opamp? There's also those Crystal, Ceramic, Saw filters that I know nothing about... Can you guys suggest the cheapest solution?
EDIT:
In response to Andy's comment, the V1 above has been added to denote the voltage source of the black box (It was not there in the first diagram). I'm not a 100% sure, but the the black box has a Boost Converter and the inductor might be the one causing the noise.
The Opamp by itself works well when powered by V_DD. The black box does so when powered with V1. The output of the opamp only appears after I ground it with the black box.
EDIT: It has been misunderstood by some that whole LC-common-choked filter are all at ground, so I'll clarify it:


but to think of it, I should've provided this diagram and not let the ground of the opamp "dangle" around.